Dolmar Benzin Kettensäge PS-311 TH 5 Anwerfvorrichtung Ersatzteile
5 Anwerfvorrichtung PS-311 TH

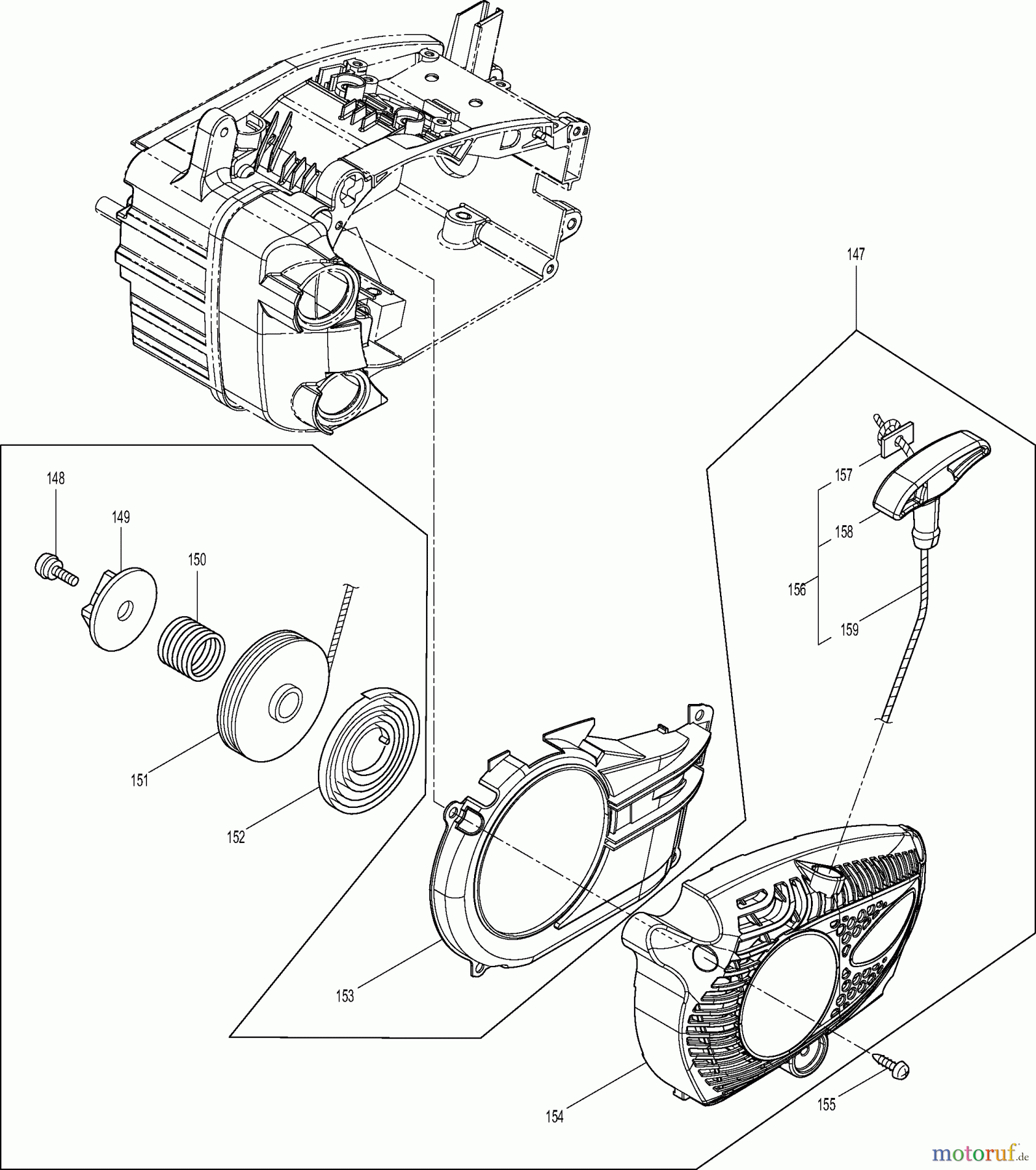
Hier finden Sie die Ersatzteilzeichnung für Dolmar Kettensägen Benzin Kettensäge PS-311 TH 5 Anwerfvorrichtung. Wählen Sie das benötigte Ersatzteil aus der Ersatzteilliste Ihres Dolmar Gerätes aus und bestellen Sie einfach online. Viele Dolmar Ersatzteile halten wir ständig in unserem Lager für Sie bereit.
| BildNr | Artikel Nummer | Bezeichnung | |
| 147 | MR00288401 | ANWERFVORRICHTUNG KPL. | |
| 148 | MR00267213 | SCHRAUBE | |
| 149 | MR00285597 | MITNEHMER | |
| 150 | MR00283276 | DÄMPFERFEDER | |
| 151 | MR00283274 | SEILTROMMEL | |
| 152 | MR00283275 | STARTERFEDER | |
| 153 | MR00285548 | LUFTFÜHRUNG | |
| 154 | MR00288402 | STARTERGEHÄUSE KPL. | |
| 155 | MR00285631 | SCHRAUBE M4X16 | |
| 156 | MR00285697 | ANWERFGRIFF MIT SEIL KPL. | |
| 157 | MR00283281 | SEILSTOPPER | |
| 158 | MR00285581 | ANWERFGRIFF | |
| 159 | MR00283279 | ANWERFSEIL | |



