Dolmar WK-80 2 WK-80 Ersatzteile
2 WK-80 WK-80

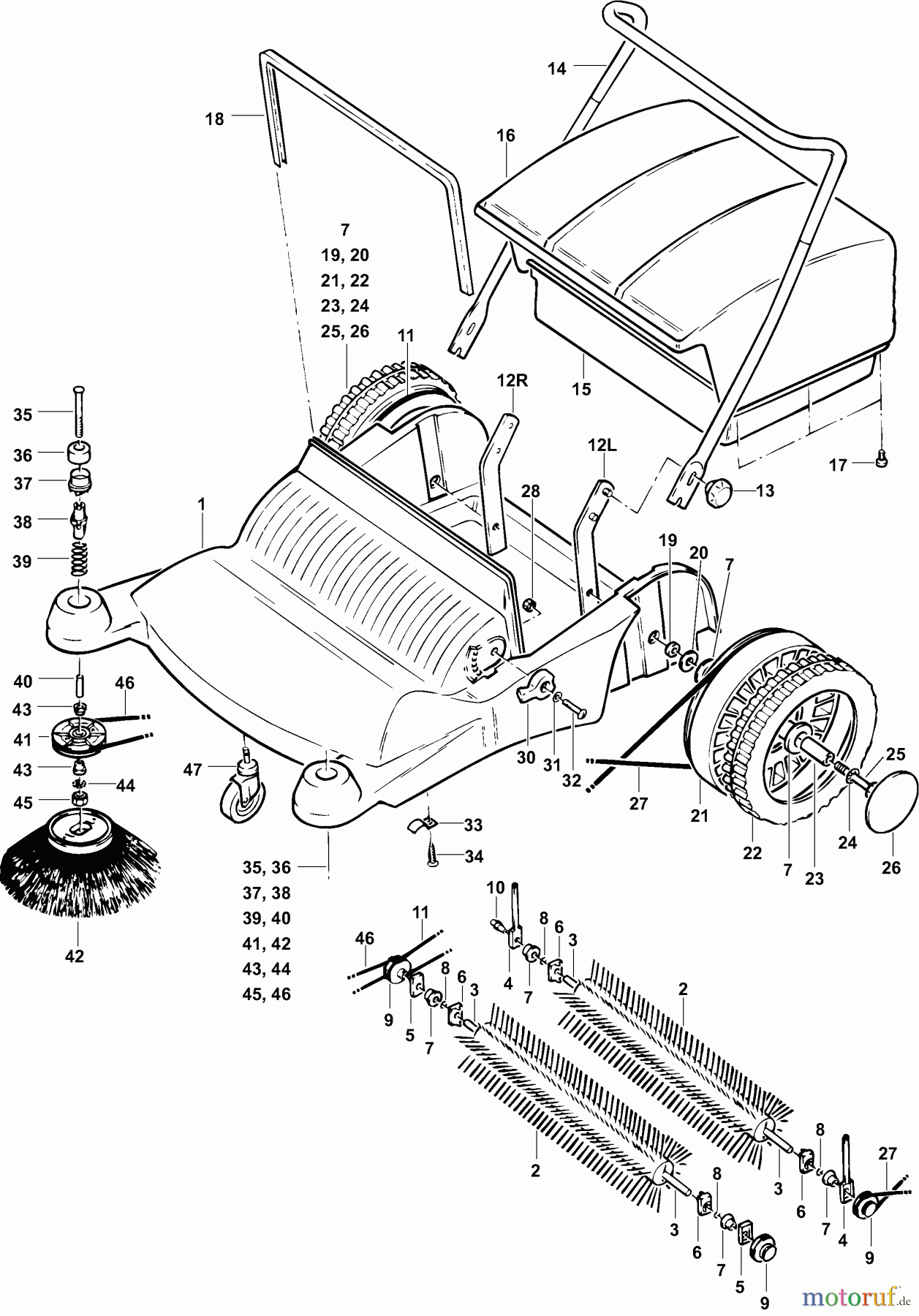
Hier finden Sie die Ersatzteilzeichnung für Dolmar Bodenkehrmaschinen WK-80 2 WK-80. Wählen Sie das benötigte Ersatzteil aus der Ersatzteilliste Ihres Dolmar Gerätes aus und bestellen Sie einfach online. Viele Dolmar Ersatzteile halten wir ständig in unserem Lager für Sie bereit.



