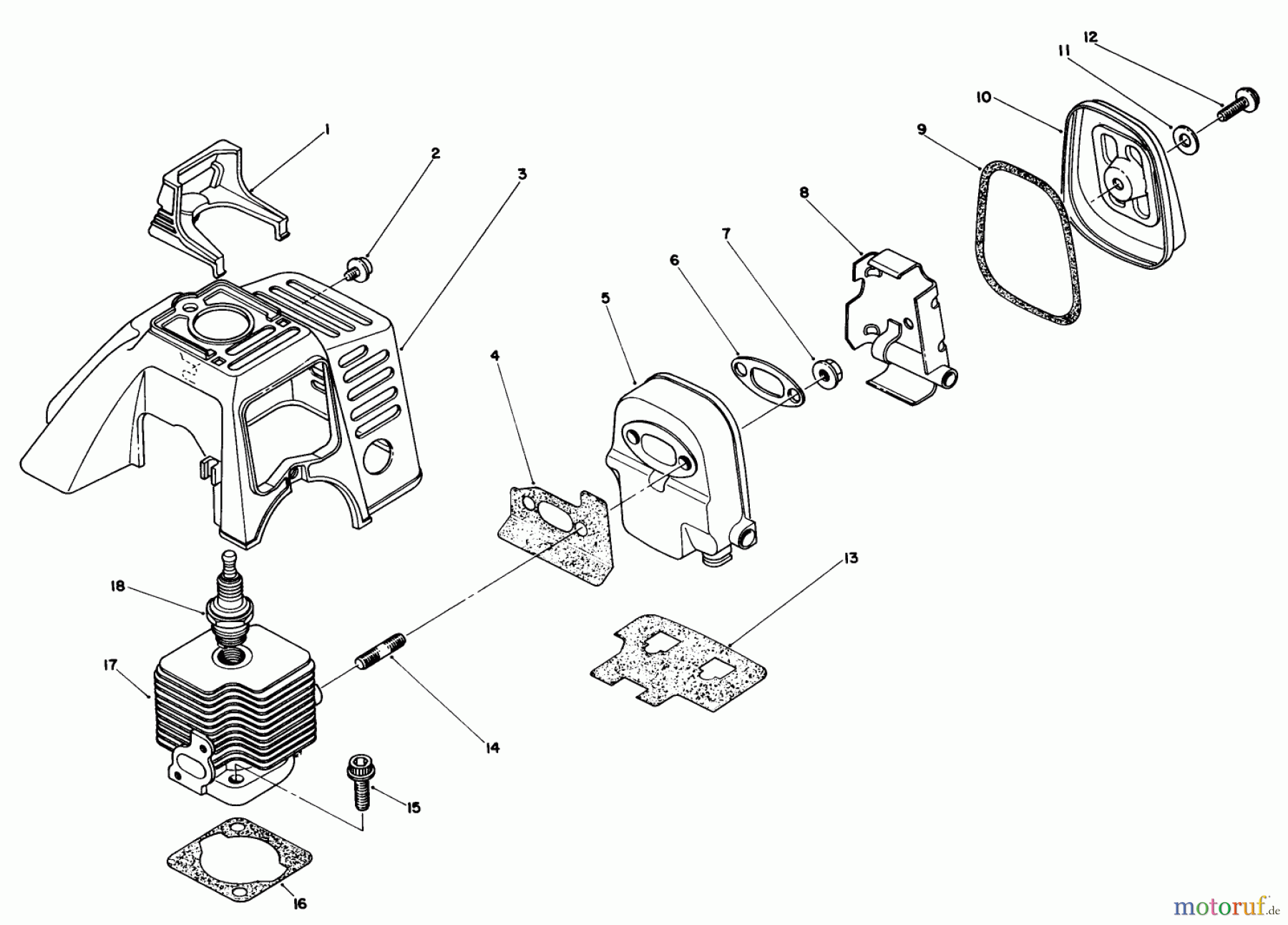
Toro 51642 (TC 2000) - TC 2000 Gas Trimmer, 1986 (6000001-6999999) CYLINDER & MUFFLER ASSEMBLY Ersatzteile
CYLINDER & MUFFLER ASSEMBLY 51642 (TC 2000) - Toro TC 2000 Gas Trimmer, 1986 (6000001-6999999)

Hier finden Sie die Ersatzteilzeichnung für Toro Neu Trimmers, String/Brush 51642 (TC 2000) - Toro TC 2000 Gas Trimmer, 1986 (6000001-6999999) CYLINDER & MUFFLER ASSEMBLY. Wählen Sie das benötigte Ersatzteil aus der Ersatzteilliste Ihres Toro Gerätes aus und bestellen Sie einfach online. Viele Toro Ersatzteile halten wir ständig in unserem Lager für Sie bereit.


Qualitätsmanagement
Informieren Sie uns, wenn Sie einen Fehler gefunden haben.

