Toro 51625 - Gas Trimmer/Weeder, 1980 (0000001-0999999) POWER HEAD Ersatzteile
POWER HEAD 51625 - Toro Gas Trimmer/Weeder, 1980 (0000001-0999999)

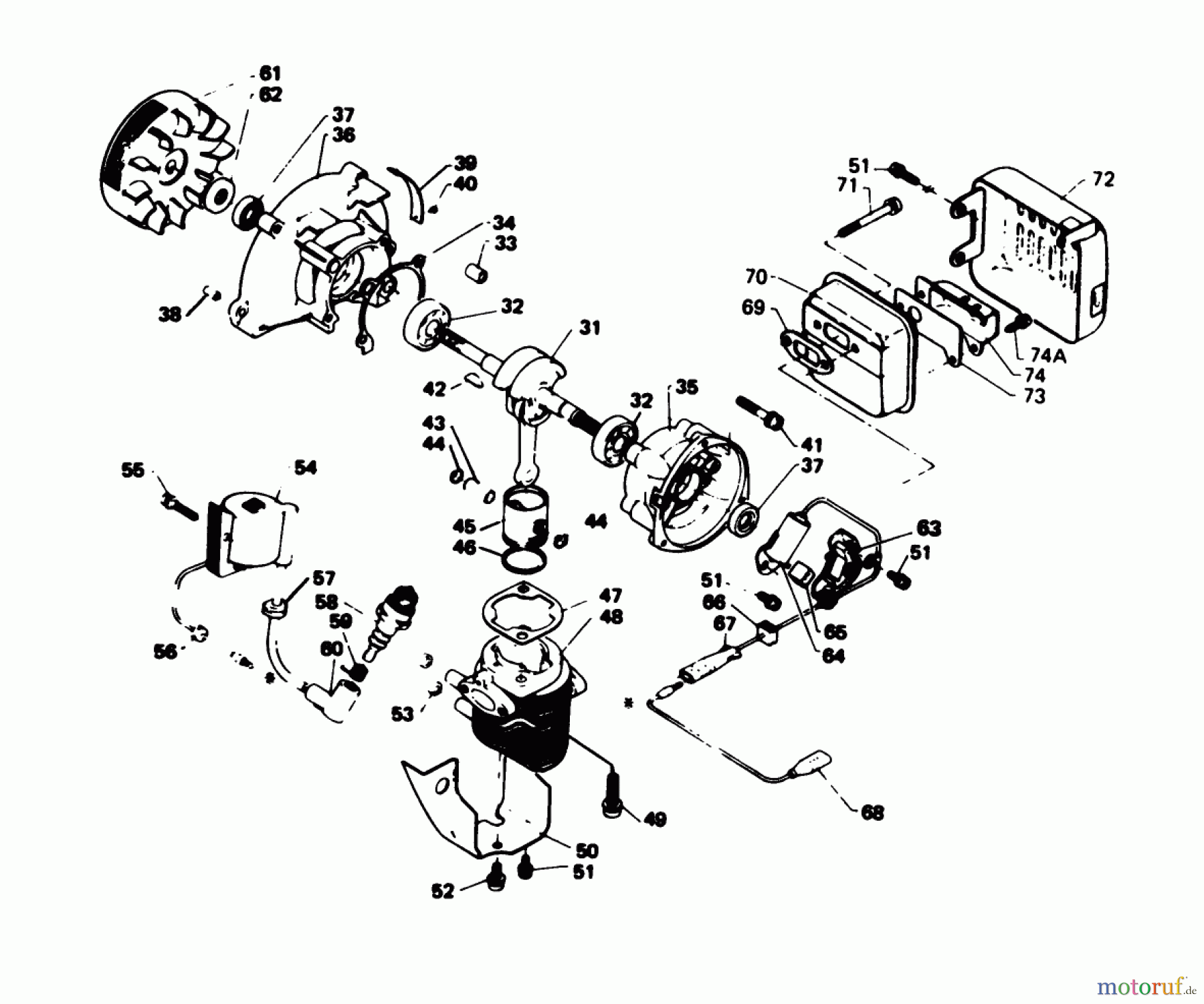
Hier finden Sie die Ersatzteilzeichnung für Toro Neu Trimmers, String/Brush 51625 - Toro Gas Trimmer/Weeder, 1980 (0000001-0999999) POWER HEAD. Wählen Sie das benötigte Ersatzteil aus der Ersatzteilliste Ihres Toro Gerätes aus und bestellen Sie einfach online. Viele Toro Ersatzteile halten wir ständig in unserem Lager für Sie bereit.


Qualitätsmanagement
Informieren Sie uns, wenn Sie einen Fehler gefunden haben.

