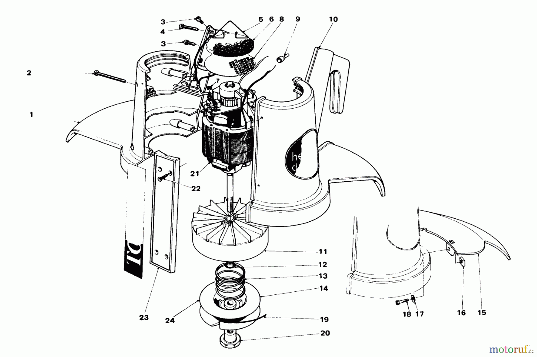
Toro 51107 - Trimmer, 1977 (7000001-7999999) MOTOR & HOUSING ASSEMBLY Ersatzteile
MOTOR & HOUSING ASSEMBLY 51107 - Toro Trimmer, 1977 (7000001-7999999)

Hier finden Sie die Ersatzteilzeichnung für Toro Neu Trimmers, String/Brush 51107 - Toro Trimmer, 1977 (7000001-7999999) MOTOR & HOUSING ASSEMBLY. Wählen Sie das benötigte Ersatzteil aus der Ersatzteilliste Ihres Toro Gerätes aus und bestellen Sie einfach online. Viele Toro Ersatzteile halten wir ständig in unserem Lager für Sie bereit.
| BildNr | Artikel Nummer | Bezeichnung | |
| 2 | TR32144-27 | Schraube | |
| 7 | TR3217-29 | Mutter | |
| 9 | TR218-496 | DISCONTINUED | |
| 12 | TR3290-418 | Federscheibe | |
| 16 | TR32107-11 | NUT-SQUARE | |
| 17 | TR3253-3 | Federring | |
| 18 | ![]() | TR321-4 | Schraube |
| 19 | TR33-7910 | 88003 | |




