Toro 58231 - 26" Tiller, 1974 (4001270-4999999) ENGINE MODEL NO. 130292 TYPE 0159-06 BRIGGS & STRATTON Ersatzteile
ENGINE MODEL NO. 130292 TYPE 0159-06 BRIGGS & STRATTON 58231 - Toro 26" Tiller, 1974 (4001270-4999999)

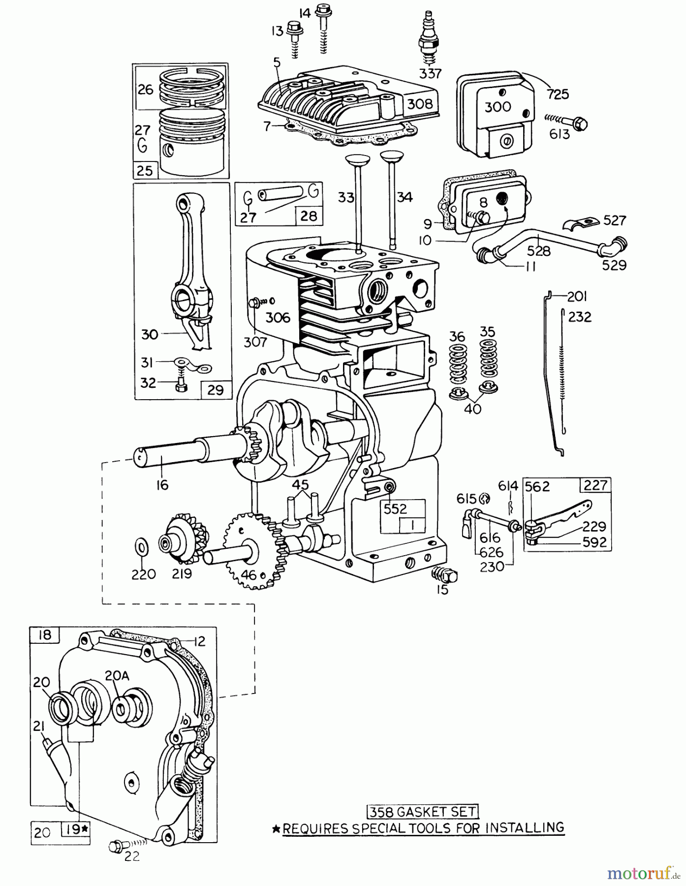
Hier finden Sie die Ersatzteilzeichnung für Toro Neu Tillers/Cultivators 58231 - Toro 26" Tiller, 1974 (4001270-4999999) ENGINE MODEL NO. 130292 TYPE 0159-06 BRIGGS & STRATTON. Wählen Sie das benötigte Ersatzteil aus der Ersatzteilliste Ihres Toro Gerätes aus und bestellen Sie einfach online. Viele Toro Ersatzteile halten wir ständig in unserem Lager für Sie bereit.


Qualitätsmanagement
Informieren Sie uns, wenn Sie einen Fehler gefunden haben.

