Toro 58215 - 26" Tiller, 1973 (3000001-3999999) ENGINE MODEL NO. 130292 TYPE 0159-06 BRIGGS & STRATTON Ersatzteile
ENGINE MODEL NO. 130292 TYPE 0159-06 BRIGGS & STRATTON 58215 - Toro 26" Tiller, 1973 (3000001-3999999)

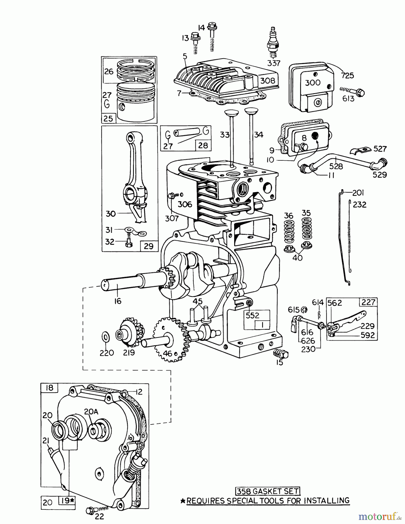
Hier finden Sie die Ersatzteilzeichnung für Toro Neu Tillers/Cultivators 58215 - Toro 26" Tiller, 1973 (3000001-3999999) ENGINE MODEL NO. 130292 TYPE 0159-06 BRIGGS & STRATTON. Wählen Sie das benötigte Ersatzteil aus der Ersatzteilliste Ihres Toro Gerätes aus und bestellen Sie einfach online. Viele Toro Ersatzteile halten wir ständig in unserem Lager für Sie bereit.



