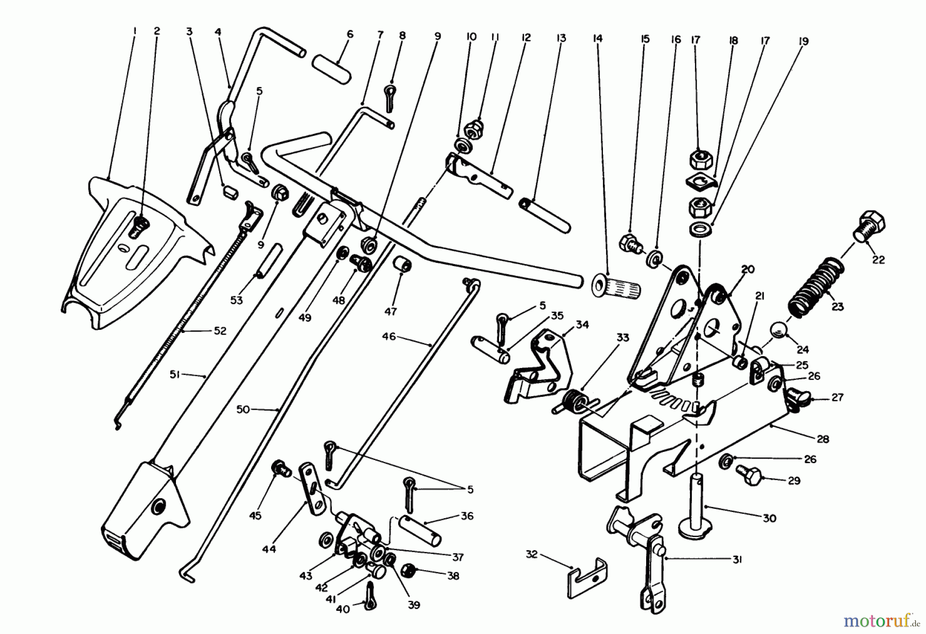
Toro 58160 - 18" Tiller, 1983 (3000001-3999999) HANDLE ASSEMBLY Ersatzteile
HANDLE ASSEMBLY 58160 - Toro 18" Tiller, 1983 (3000001-3999999)

Hier finden Sie die Ersatzteilzeichnung für Toro Neu Tillers/Cultivators 58160 - Toro 18" Tiller, 1983 (3000001-3999999) HANDLE ASSEMBLY. Wählen Sie das benötigte Ersatzteil aus der Ersatzteilliste Ihres Toro Gerätes aus und bestellen Sie einfach online. Viele Toro Ersatzteile halten wir ständig in unserem Lager für Sie bereit.






