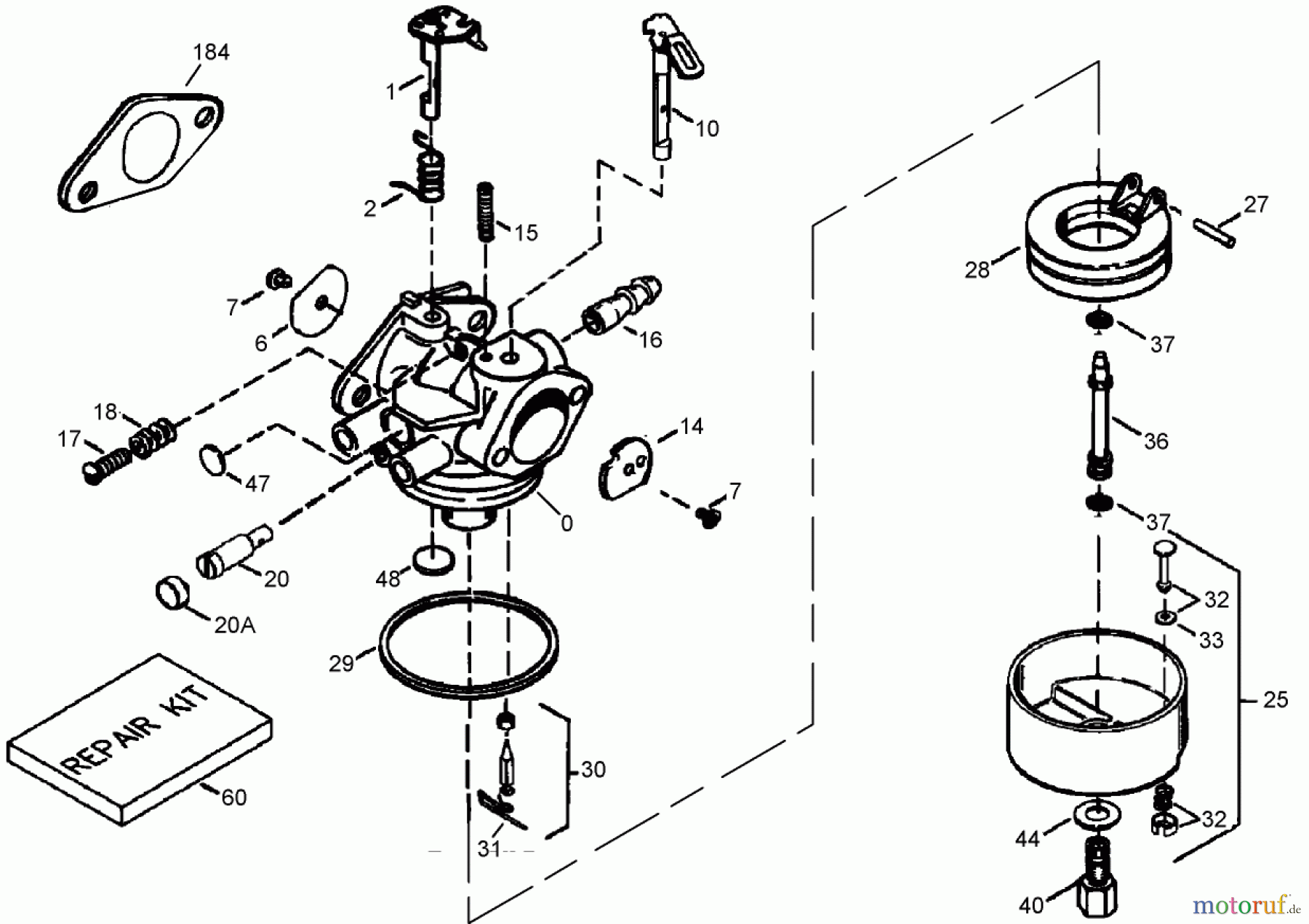
Toro 38641 (1028 LXE) - Power Max 1028 LXE Snowthrower, 2006 (260000001-260999999) CARBURETOR ASSEMBLY NO. 640349 TECUMSEH LH358SA-159626A Ersatzteile
CARBURETOR ASSEMBLY NO. 640349 TECUMSEH LH358SA-159626A 38641 (1028 LXE) - Toro Power Max 1028 LXE Snowthrower, 2006 (260000001-260999999)

Hier finden Sie die Ersatzteilzeichnung für Toro Neu Snow Blowers/Snow Throwers Seite 2 38641 (1028 LXE) - Toro Power Max 1028 LXE Snowthrower, 2006 (260000001-260999999) CARBURETOR ASSEMBLY NO. 640349 TECUMSEH LH358SA-159626A. Wählen Sie das benötigte Ersatzteil aus der Ersatzteilliste Ihres Toro Gerätes aus und bestellen Sie einfach online. Viele Toro Ersatzteile halten wir ständig in unserem Lager für Sie bereit.


Qualitätsmanagement
Informieren Sie uns, wenn Sie einen Fehler gefunden haben.



