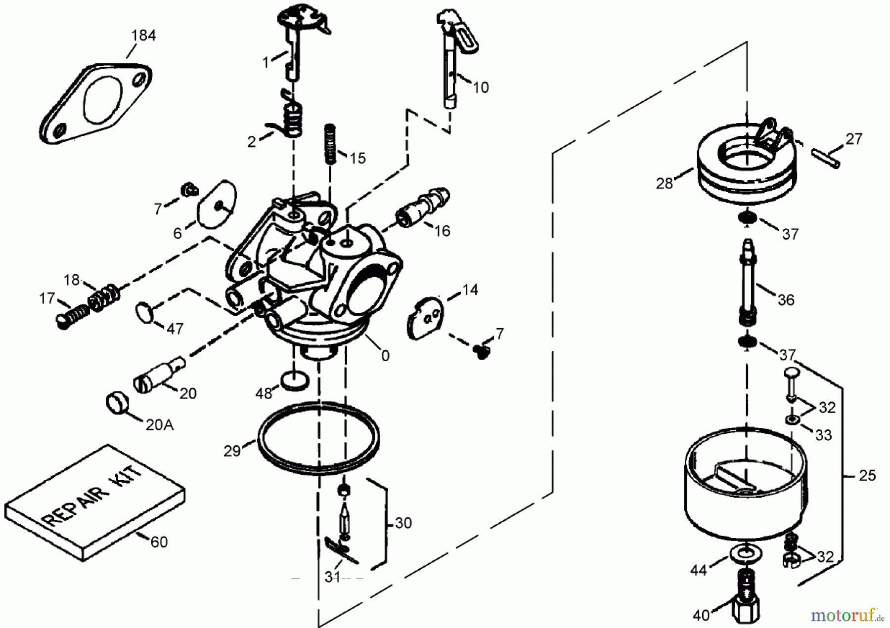
Toro 38635 (828 LE) - Power Max 828 LE Snowthrower, 2006 (260000001-260999999) CARBURETOR ASSEMBLY TECUMSEH LH318SA-156564H Ersatzteile
CARBURETOR ASSEMBLY TECUMSEH LH318SA-156564H 38635 (828 LE) - Toro Power Max 828 LE Snowthrower, 2006 (260000001-260999999)

Hier finden Sie die Ersatzteilzeichnung für Toro Neu Snow Blowers/Snow Throwers Seite 2 38635 (828 LE) - Toro Power Max 828 LE Snowthrower, 2006 (260000001-260999999) CARBURETOR ASSEMBLY TECUMSEH LH318SA-156564H. Wählen Sie das benötigte Ersatzteil aus der Ersatzteilliste Ihres Toro Gerätes aus und bestellen Sie einfach online. Viele Toro Ersatzteile halten wir ständig in unserem Lager für Sie bereit.


Qualitätsmanagement
Informieren Sie uns, wenn Sie einen Fehler gefunden haben.



