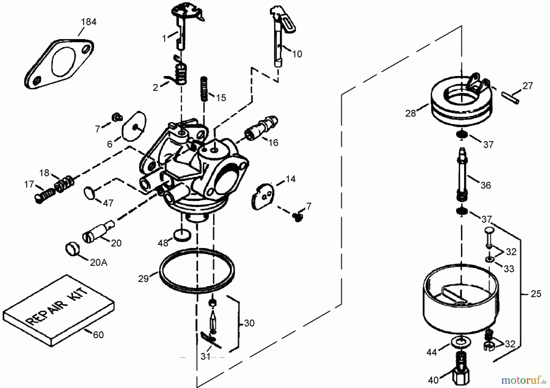
Toro 38595 (6000) - Power Max 6000 Snowthrower, 2006 (260000001-260999999) CARBURETOR ASSEMBLY NO. 640349 TECUMSEH LH318SA-156590H Ersatzteile
CARBURETOR ASSEMBLY NO. 640349 TECUMSEH LH318SA-156590H 38595 (6000) - Toro Power Max 6000 Snowthrower, 2006 (260000001-260999999)

Hier finden Sie die Ersatzteilzeichnung für Toro Neu Snow Blowers/Snow Throwers Seite 1 38595 (6000) - Toro Power Max 6000 Snowthrower, 2006 (260000001-260999999) CARBURETOR ASSEMBLY NO. 640349 TECUMSEH LH318SA-156590H. Wählen Sie das benötigte Ersatzteil aus der Ersatzteilliste Ihres Toro Gerätes aus und bestellen Sie einfach online. Viele Toro Ersatzteile halten wir ständig in unserem Lager für Sie bereit.





