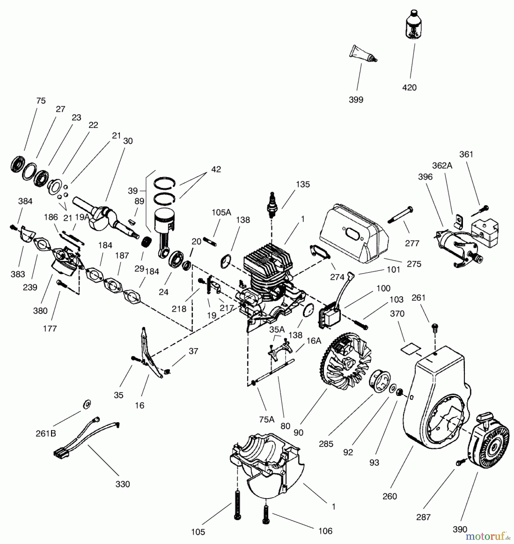
Toro 38416 (2400) - CCR 2400 Snowthrower, 1997 (7900001-7999999) ENGINE TECUMSEH MODEL NO. HSK850 TYPE 8312B Ersatzteile
ENGINE TECUMSEH MODEL NO. HSK850 TYPE 8312B 38416 (2400) - Toro CCR 2400 Snowthrower, 1997 (7900001-7999999)

Hier finden Sie die Ersatzteilzeichnung für Toro Neu Snow Blowers/Snow Throwers Seite 1 38416 (2400) - Toro CCR 2400 Snowthrower, 1997 (7900001-7999999) ENGINE TECUMSEH MODEL NO. HSK850 TYPE 8312B. Wählen Sie das benötigte Ersatzteil aus der Ersatzteilliste Ihres Toro Gerätes aus und bestellen Sie einfach online. Viele Toro Ersatzteile halten wir ständig in unserem Lager für Sie bereit.


Qualitätsmanagement
Informieren Sie uns, wenn Sie einen Fehler gefunden haben.


