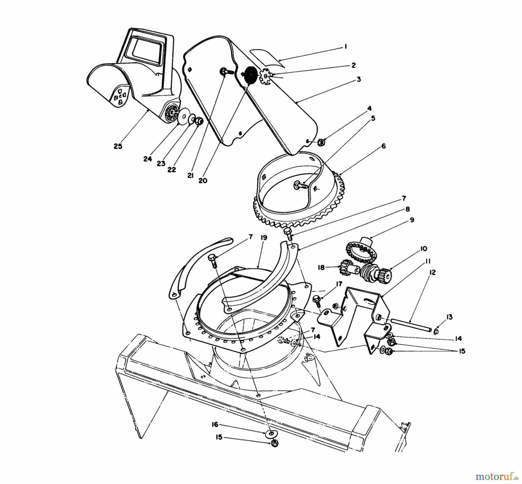
Toro 38180C - CCR 2000 Snowthrower, 1987 (7000001-7999999) DISCHARGE CHUTE ASSEMBLY Ersatzteile
DISCHARGE CHUTE ASSEMBLY 38180C - Toro CCR 2000 Snowthrower, 1987 (7000001-7999999)

Hier finden Sie die Ersatzteilzeichnung für Toro Neu Snow Blowers/Snow Throwers Seite 1 38180C - Toro CCR 2000 Snowthrower, 1987 (7000001-7999999) DISCHARGE CHUTE ASSEMBLY. Wählen Sie das benötigte Ersatzteil aus der Ersatzteilliste Ihres Toro Gerätes aus und bestellen Sie einfach online. Viele Toro Ersatzteile halten wir ständig in unserem Lager für Sie bereit.


Qualitätsmanagement
Informieren Sie uns, wenn Sie einen Fehler gefunden haben.





