Toro 38035 (3521) - 3521 Snowthrower, 1986 (6000001-6999999) ENGINE TECUMSEH MODEL H35-45598R Ersatzteile
ENGINE TECUMSEH MODEL H35-45598R 38035 (3521) - Toro 3521 Snowthrower, 1986 (6000001-6999999)

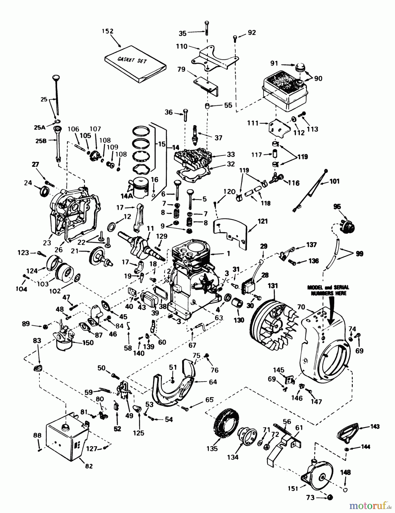
Hier finden Sie die Ersatzteilzeichnung für Toro Neu Snow Blowers/Snow Throwers Seite 1 38035 (3521) - Toro 3521 Snowthrower, 1986 (6000001-6999999) ENGINE TECUMSEH MODEL H35-45598R. Wählen Sie das benötigte Ersatzteil aus der Ersatzteilliste Ihres Toro Gerätes aus und bestellen Sie einfach online. Viele Toro Ersatzteile halten wir ständig in unserem Lager für Sie bereit.





