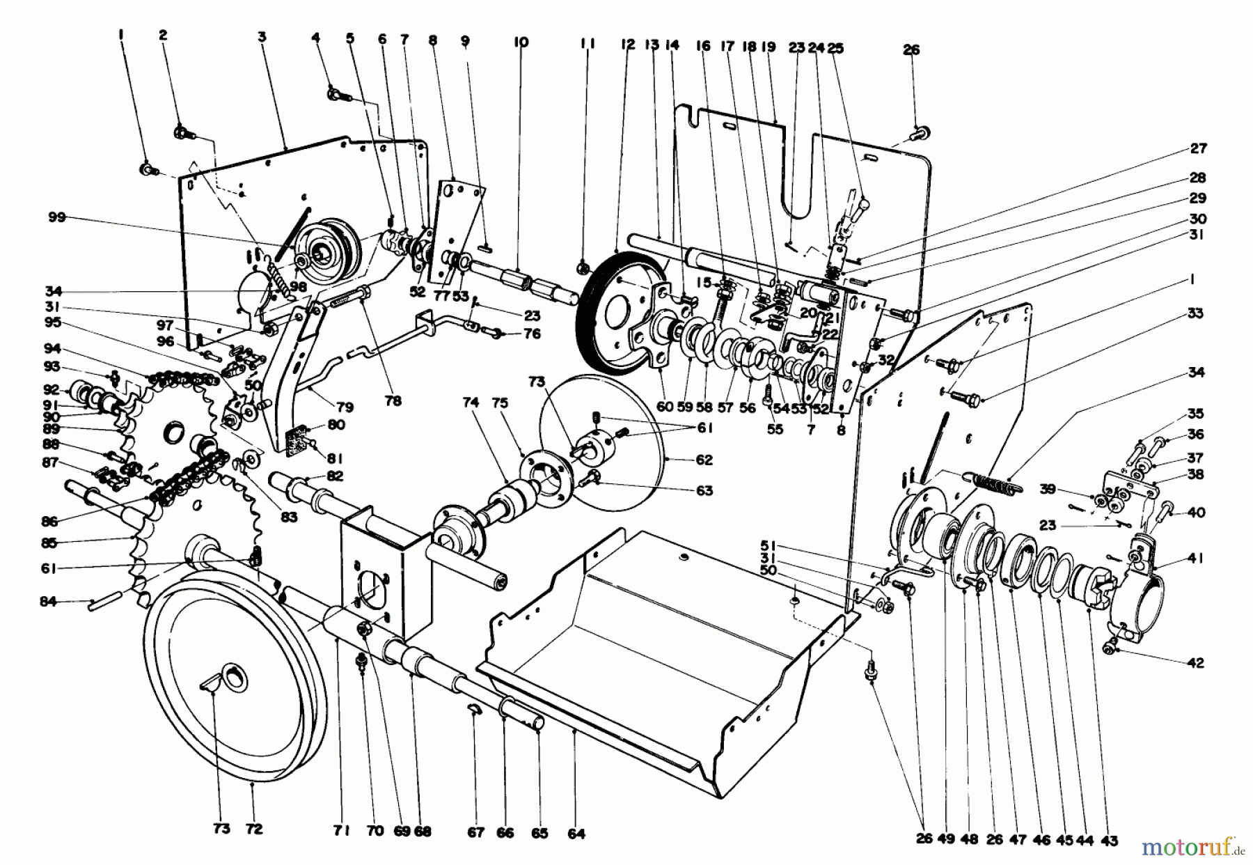
Toro 31995 (1032) - 1032 Snowthrower, 1975 (5000001-5999999) TRACTION ASSEMBLY Ersatzteile
TRACTION ASSEMBLY 31995 (1032) - Toro 1032 Snowthrower, 1975 (5000001-5999999)

Hier finden Sie die Ersatzteilzeichnung für Toro Neu Snow Blowers/Snow Throwers Seite 1 31995 (1032) - Toro 1032 Snowthrower, 1975 (5000001-5999999) TRACTION ASSEMBLY. Wählen Sie das benötigte Ersatzteil aus der Ersatzteilliste Ihres Toro Gerätes aus und bestellen Sie einfach online. Viele Toro Ersatzteile halten wir ständig in unserem Lager für Sie bereit.




