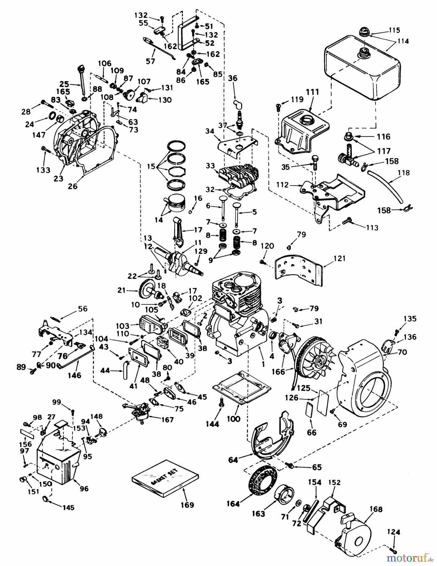
Toro 31677 (724) - 724 Snowthrower, 1974 (4000001-4999999) ENGINE, TECUMSEH MODEL NO. H70-130176A (7H.P. SNOWTHROWER MODEL NO. 31677) Ersatzteile
ENGINE, TECUMSEH MODEL NO. H70-130176A (7H.P. SNOWTHROWER MODEL NO. 31677) 31677 (724) - Toro 724 Snowthrower, 1974 (4000001-4999999)

Hier finden Sie die Ersatzteilzeichnung für Toro Neu Snow Blowers/Snow Throwers Seite 1 31677 (724) - Toro 724 Snowthrower, 1974 (4000001-4999999) ENGINE, TECUMSEH MODEL NO. H70-130176A (7H.P. SNOWTHROWER MODEL NO. 31677). Wählen Sie das benötigte Ersatzteil aus der Ersatzteilliste Ihres Toro Gerätes aus und bestellen Sie einfach online. Viele Toro Ersatzteile halten wir ständig in unserem Lager für Sie bereit.




