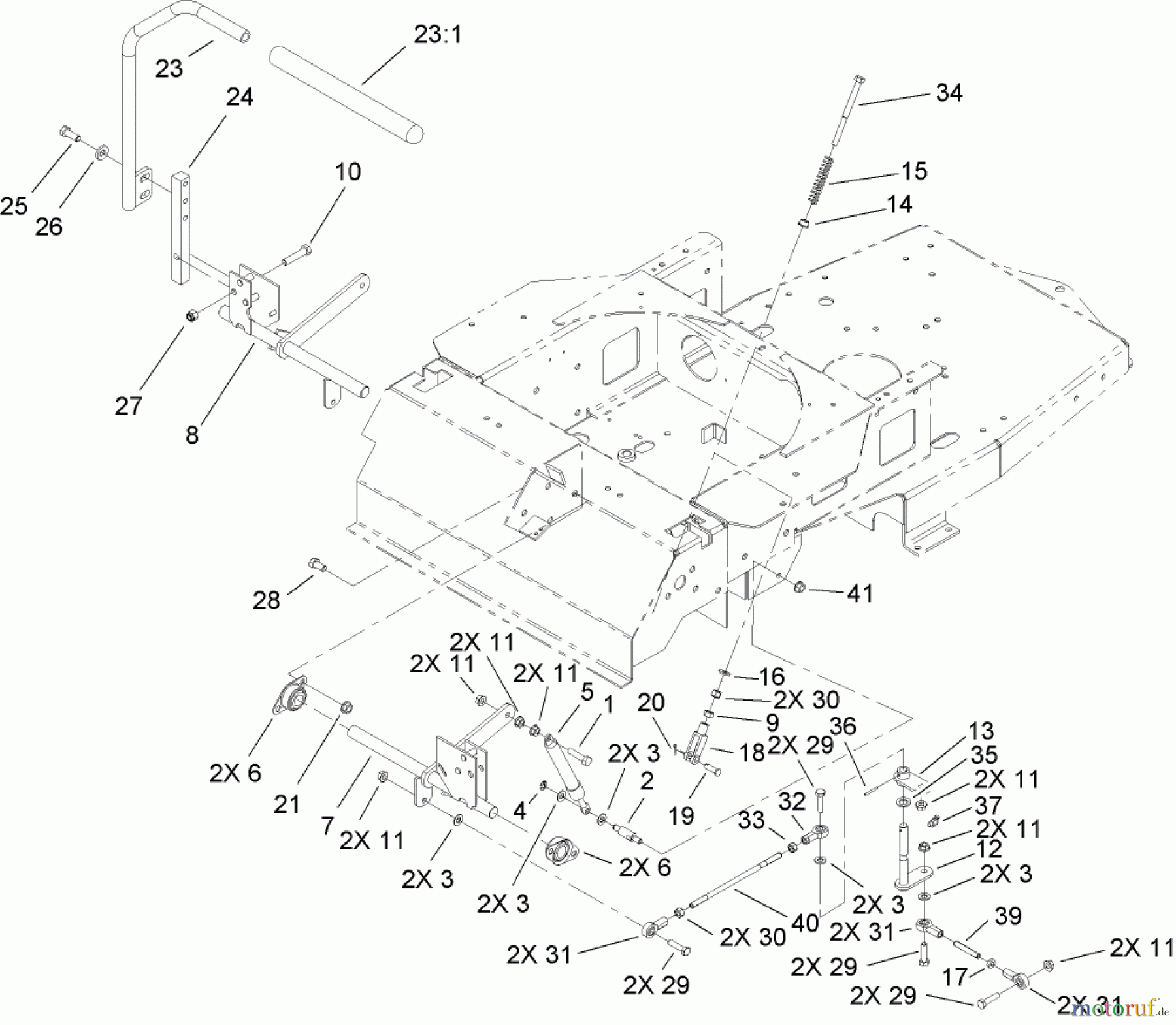
Toro 74603 (ZX440) - TimeCutter ZX440 Riding Mower, 2006 (260000001-260999999) MOTION CONTROL SYSTEM ASSEMBLY Ersatzteile
MOTION CONTROL SYSTEM ASSEMBLY 74603 (ZX440) - Toro TimeCutter ZX440 Riding Mower, 2006 (260000001-260999999)

Hier finden Sie die Ersatzteilzeichnung für Toro Neu Mowers, Zero-Turn 74603 (ZX440) - Toro TimeCutter ZX440 Riding Mower, 2006 (260000001-260999999) MOTION CONTROL SYSTEM ASSEMBLY. Wählen Sie das benötigte Ersatzteil aus der Ersatzteilliste Ihres Toro Gerätes aus und bestellen Sie einfach online. Viele Toro Ersatzteile halten wir ständig in unserem Lager für Sie bereit.


Qualitätsmanagement
Informieren Sie uns, wenn Sie einen Fehler gefunden haben.


