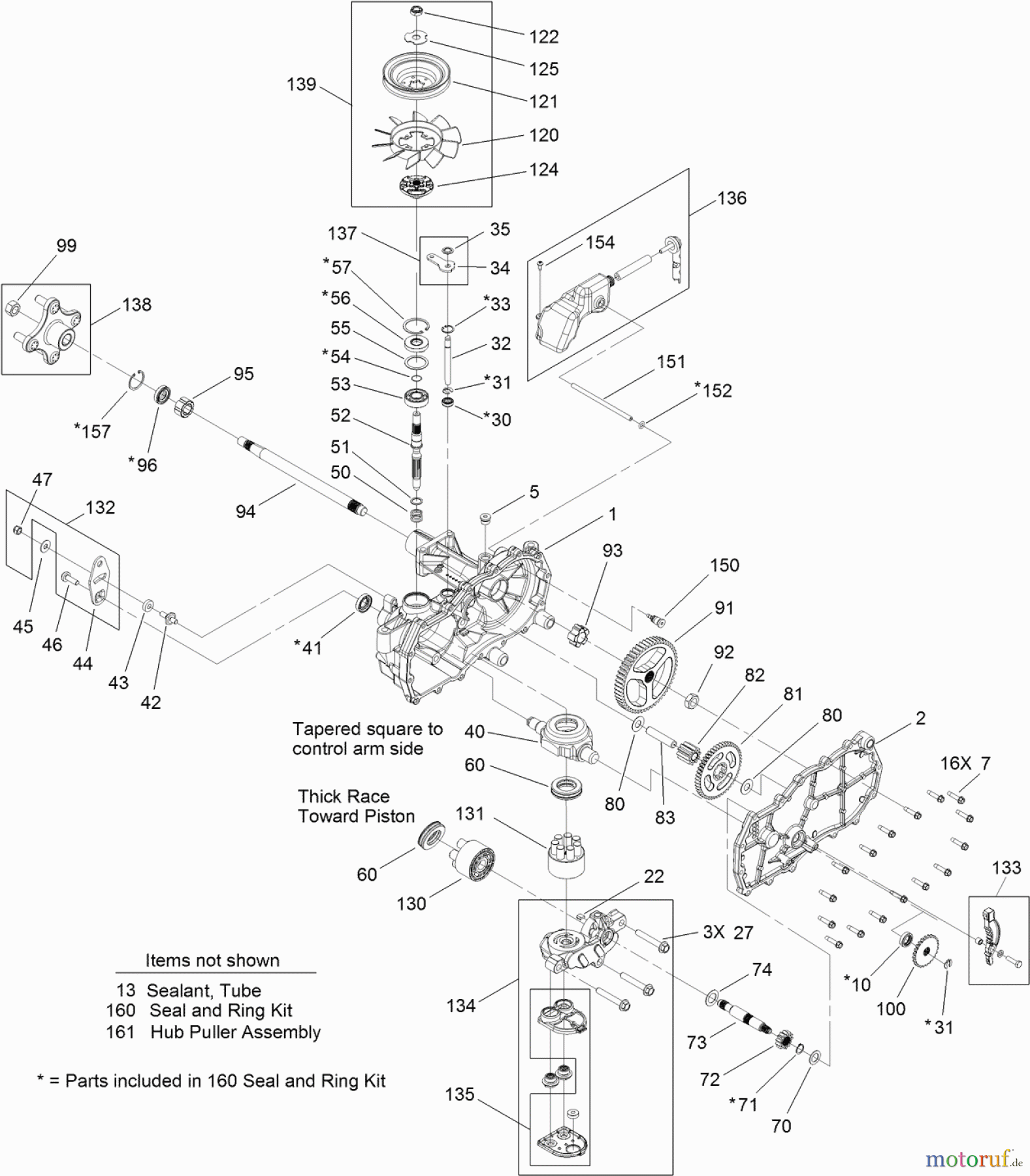
Toro 74389 (ZS 4200S) - TimeCutter ZS 4200S Riding Mower, 2012 (SN 312000001-312999999) RIGHT HAND HYDRO TRANSAXLE ASSEMBLY NO. 119-3331 Ersatzteile
RIGHT HAND HYDRO TRANSAXLE ASSEMBLY NO. 119-3331 74389 (ZS 4200S) - Toro TimeCutter ZS 4200S Riding Mower, 2012 (SN 312000001-312999999)

Hier finden Sie die Ersatzteilzeichnung für Toro Neu Mowers, Zero-Turn 74389 (ZS 4200S) - Toro TimeCutter ZS 4200S Riding Mower, 2012 (SN 312000001-312999999) RIGHT HAND HYDRO TRANSAXLE ASSEMBLY NO. 119-3331. Wählen Sie das benötigte Ersatzteil aus der Ersatzteilliste Ihres Toro Gerätes aus und bestellen Sie einfach online. Viele Toro Ersatzteile halten wir ständig in unserem Lager für Sie bereit.



