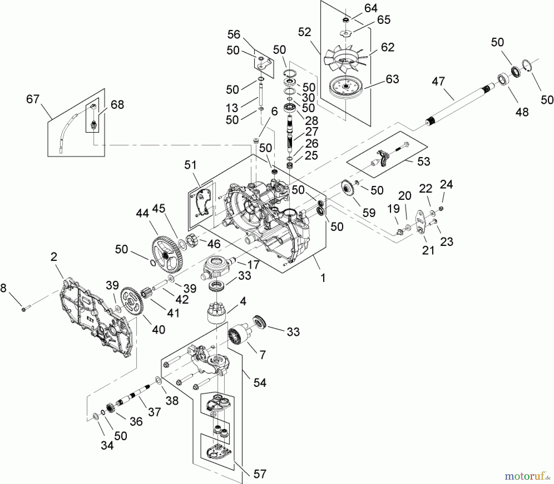
Toro 74363 (Z4200) - TimeCutter Z4220 Riding Mower, 2008 (280000001-280999999) LH HYDRO ASSEMBLY NO. 110-6770 Ersatzteile
LH HYDRO ASSEMBLY NO. 110-6770 74363 (Z4200) - Toro TimeCutter Z4220 Riding Mower, 2008 (280000001-280999999)

Hier finden Sie die Ersatzteilzeichnung für Toro Neu Mowers, Zero-Turn 74363 (Z4200) - Toro TimeCutter Z4220 Riding Mower, 2008 (280000001-280999999) LH HYDRO ASSEMBLY NO. 110-6770. Wählen Sie das benötigte Ersatzteil aus der Ersatzteilliste Ihres Toro Gerätes aus und bestellen Sie einfach online. Viele Toro Ersatzteile halten wir ständig in unserem Lager für Sie bereit.



