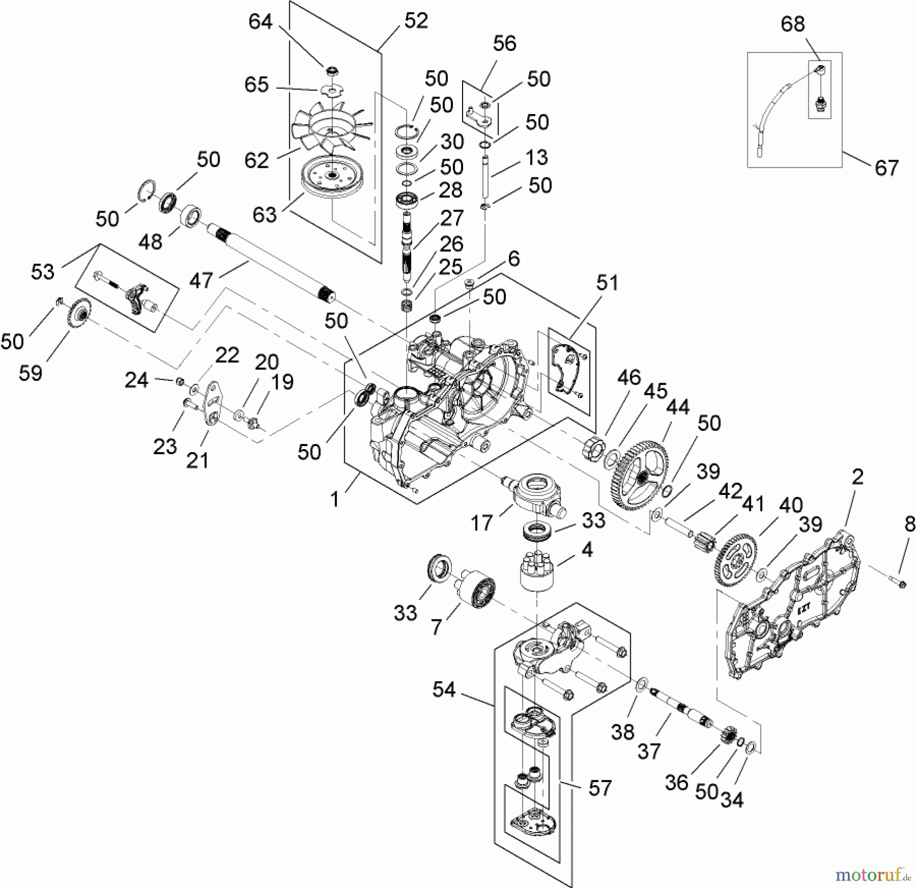
Toro 74360 (Z4200) - TimeCutter Z4200 Riding Mower, 2008 (280000001-280999999) RH HYDRO ASSEMBLY NO. 110-6771 Ersatzteile
RH HYDRO ASSEMBLY NO. 110-6771 74360 (Z4200) - Toro TimeCutter Z4200 Riding Mower, 2008 (280000001-280999999)

Hier finden Sie die Ersatzteilzeichnung für Toro Neu Mowers, Zero-Turn 74360 (Z4200) - Toro TimeCutter Z4200 Riding Mower, 2008 (280000001-280999999) RH HYDRO ASSEMBLY NO. 110-6771. Wählen Sie das benötigte Ersatzteil aus der Ersatzteilliste Ihres Toro Gerätes aus und bestellen Sie einfach online. Viele Toro Ersatzteile halten wir ständig in unserem Lager für Sie bereit.



