Toro 23200 - Heavy-Duty Whirlwind, 1965 (5000001-5999999) 25" AND 34" GEAR BOX Ersatzteile
25" AND 34" GEAR BOX 23200 - Toro Heavy-Duty Whirlwind, 1965 (5000001-5999999)

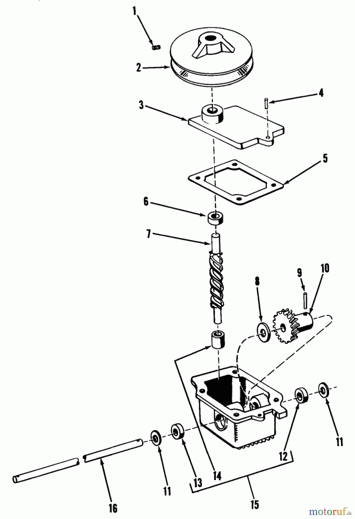
Hier finden Sie die Ersatzteilzeichnung für Toro Neu Mowers, Wide-Area Walk-Behind 23200 - Toro Heavy-Duty Whirlwind, 1965 (5000001-5999999) 25" AND 34" GEAR BOX. Wählen Sie das benötigte Ersatzteil aus der Ersatzteilliste Ihres Toro Gerätes aus und bestellen Sie einfach online. Viele Toro Ersatzteile halten wir ständig in unserem Lager für Sie bereit.
| BildNr | Artikel Nummer | Bezeichnung | |
| 1 | TR3246-3 | Schraube | |
| 2 | TR5-3681 | KEILRIEMENSCHEIBE | |
| 3 | TR3-6438 | DISCONTINUED | |
| 4 | TR32121-1 | Stift | |
| 5 | TR3-0734 | Dichtung | |
| 6 | TR251-144 | LAGER | |
| 7 | TR5-3680 | Schnecke | |
| 8 | TR3-0724 | Scheibe | |
| 9 | TR32121-108 | Stift | |
| 10 | TR3-6436 | Schneckenrad | |
| 11 | TR47-7260 | Simmerring | |
| 12 | TR47-2890 | Buechse | |
| 13 | TR47-2900 | BUSHING | |
| 14 | TR252-51 | Lager | |
| 15 | TR5-8339 | Getriebegehaeuse | |
| 16 | TR3-8105 | ||
| TR3-8172 | |||



