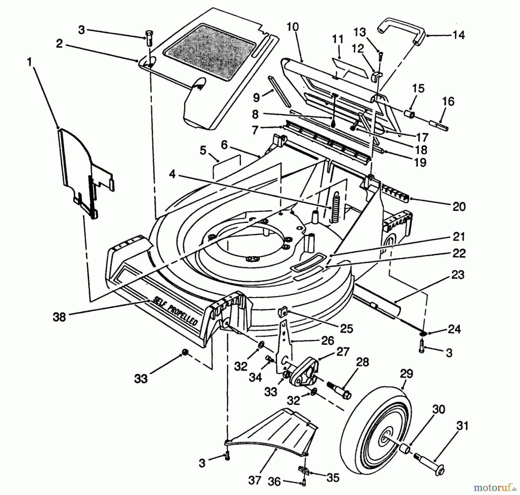
Toro 26642 - Lawnmower, 1989 (9000001-9999999) HOUSING ASSEMBLY #1 Ersatzteile
HOUSING ASSEMBLY #1 26642 - Toro Lawnmower, 1989 (9000001-9999999)

Hier finden Sie die Ersatzteilzeichnung für Toro Neu Mowers, Walk-Behind Seite 2 26642 - Toro Lawnmower, 1989 (9000001-9999999) HOUSING ASSEMBLY #1. Wählen Sie das benötigte Ersatzteil aus der Ersatzteilliste Ihres Toro Gerätes aus und bestellen Sie einfach online. Viele Toro Ersatzteile halten wir ständig in unserem Lager für Sie bereit.







