Toro 26640B - Lawnmower, 1993 (3900001-3999999) GOVERNOR ASSEMBLY (MODEL NO. 47PN2-6) Ersatzteile
GOVERNOR ASSEMBLY (MODEL NO. 47PN2-6) 26640B - Toro Lawnmower, 1993 (3900001-3999999)

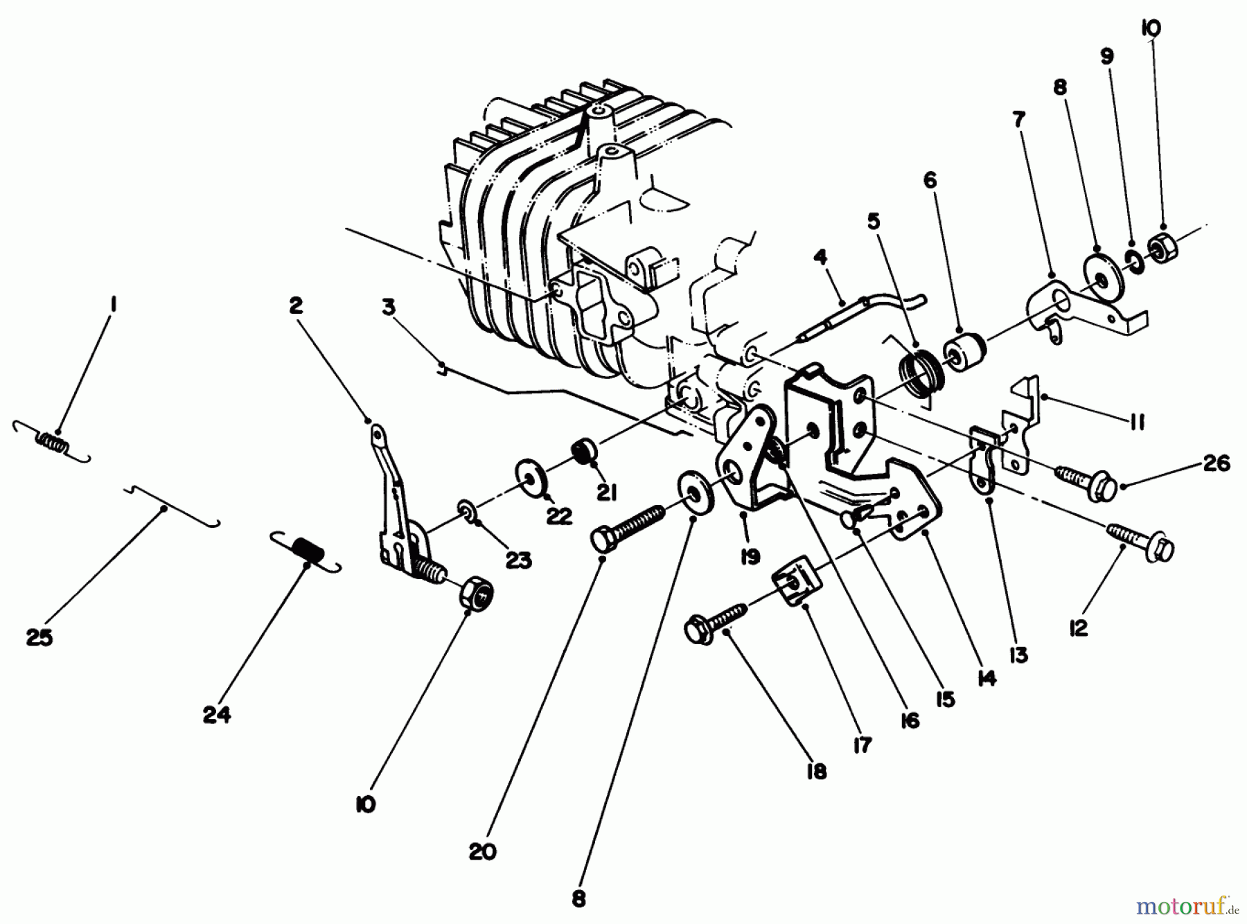
Hier finden Sie die Ersatzteilzeichnung für Toro Neu Mowers, Walk-Behind Seite 2 26640B - Toro Lawnmower, 1993 (3900001-3999999) GOVERNOR ASSEMBLY (MODEL NO. 47PN2-6). Wählen Sie das benötigte Ersatzteil aus der Ersatzteilliste Ihres Toro Gerätes aus und bestellen Sie einfach online. Viele Toro Ersatzteile halten wir ständig in unserem Lager für Sie bereit.




