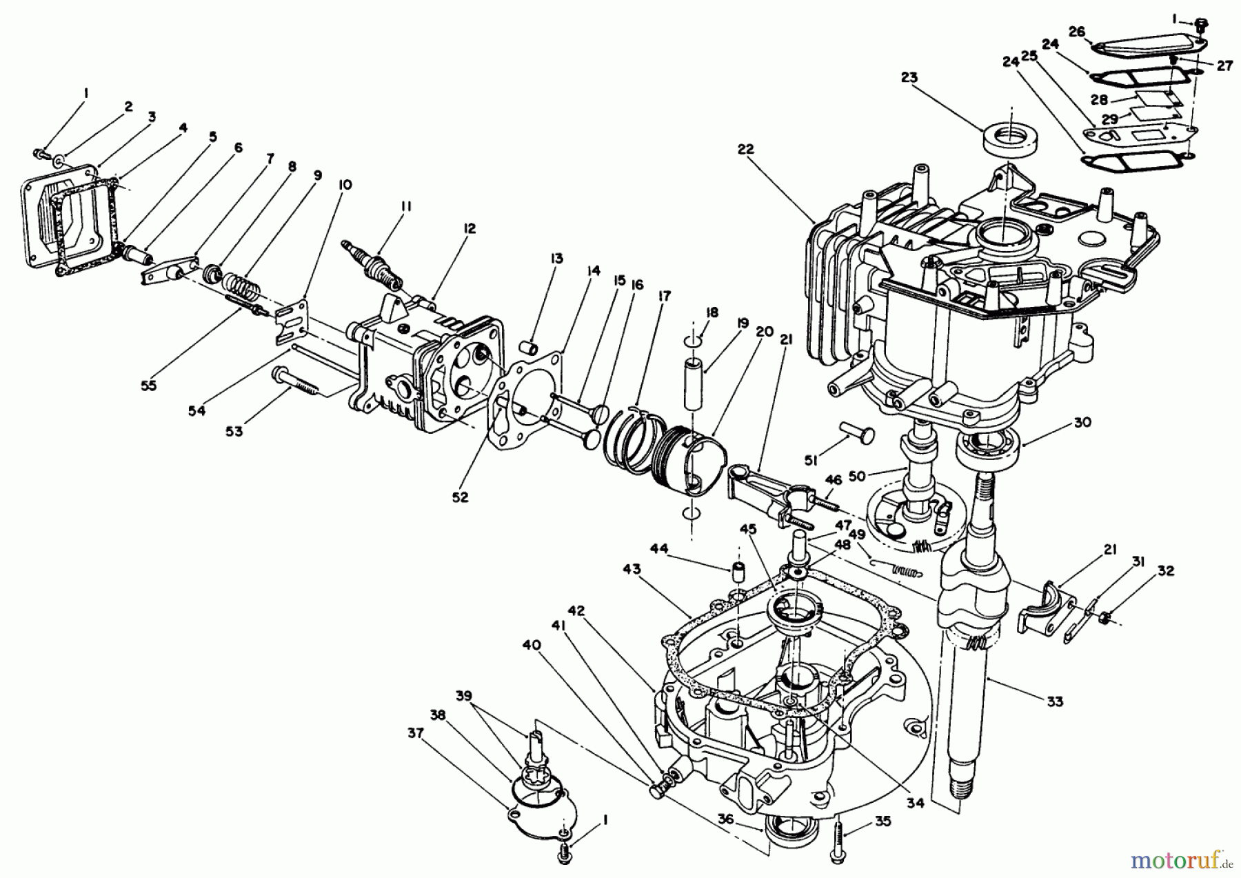
Toro 26626 - Lawnmower, 1991 (1000001-1999999) CRANKCASE ASSEMBLY (ENGINE MODEL NO. VML0-3) Ersatzteile
CRANKCASE ASSEMBLY (ENGINE MODEL NO. VML0-3) 26626 - Toro Lawnmower, 1991 (1000001-1999999)

Hier finden Sie die Ersatzteilzeichnung für Toro Neu Mowers, Walk-Behind Seite 2 26626 - Toro Lawnmower, 1991 (1000001-1999999) CRANKCASE ASSEMBLY (ENGINE MODEL NO. VML0-3). Wählen Sie das benötigte Ersatzteil aus der Ersatzteilliste Ihres Toro Gerätes aus und bestellen Sie einfach online. Viele Toro Ersatzteile halten wir ständig in unserem Lager für Sie bereit.



