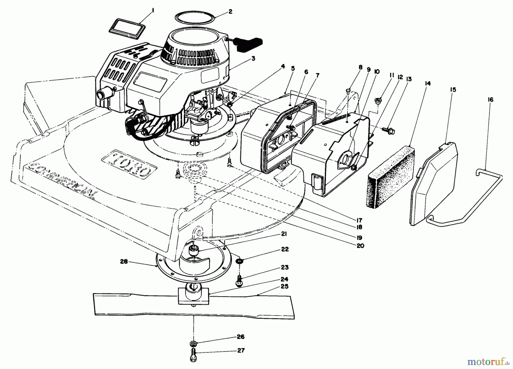
Toro 22700C - Lawnmower, 1988 (8000001-8999999) ENGINE ASSEMBLY Ersatzteile
ENGINE ASSEMBLY 22700C - Toro Lawnmower, 1988 (8000001-8999999)

Hier finden Sie die Ersatzteilzeichnung für Toro Neu Mowers, Walk-Behind Seite 2 22700C - Toro Lawnmower, 1988 (8000001-8999999) ENGINE ASSEMBLY. Wählen Sie das benötigte Ersatzteil aus der Ersatzteilliste Ihres Toro Gerätes aus und bestellen Sie einfach online. Viele Toro Ersatzteile halten wir ständig in unserem Lager für Sie bereit.
Häufig benötigte Toro 22700C - Lawnmower, 1988 (8000001-8999999) ENGINE ASSEMBLY Ersatzteile

Artikelnummer: TR81-0100
Suche nach: TR81-0100
Hersteller: Toro
Toro Ersatzteil ENGINE ASSEMBLY
Suche nach: TR81-0100
Hersteller: Toro
Toro Ersatzteil ENGINE ASSEMBLY
17.89 €
für EU incl. MwSt., zzgl. Versand





