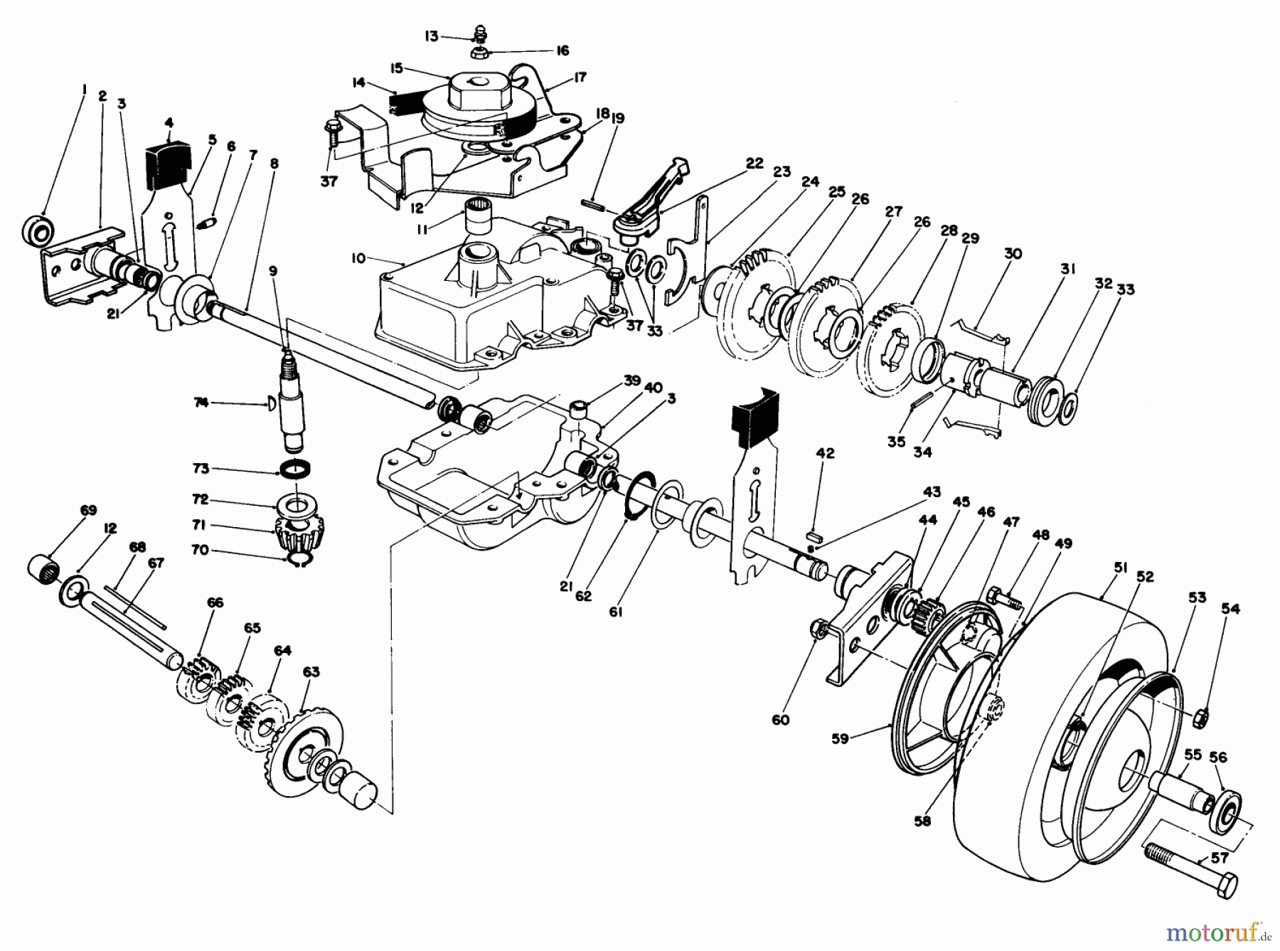
Toro 22700B - 21" Commercial, Side Discharge Mower, 1993 (39000001-39999999) GEAR CASE ASSEMBLY Ersatzteile
GEAR CASE ASSEMBLY 22700B - Toro 21" Commercial, Side Discharge Mower, 1993 (39000001-39999999)

Hier finden Sie die Ersatzteilzeichnung für Toro Neu Mowers, Walk-Behind Seite 2 22700B - Toro 21" Commercial, Side Discharge Mower, 1993 (39000001-39999999) GEAR CASE ASSEMBLY. Wählen Sie das benötigte Ersatzteil aus der Ersatzteilliste Ihres Toro Gerätes aus und bestellen Sie einfach online. Viele Toro Ersatzteile halten wir ständig in unserem Lager für Sie bereit.







