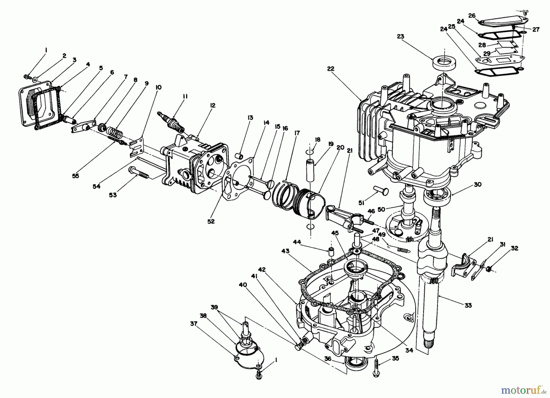
Toro 22622 - Lawnmower, 1990 (0000001-0999999) CRANKCASE ASSEMBLY (ENGINE MODEL NO. VMH7-4) Ersatzteile
CRANKCASE ASSEMBLY (ENGINE MODEL NO. VMH7-4) 22622 - Toro Lawnmower, 1990 (0000001-0999999)

Hier finden Sie die Ersatzteilzeichnung für Toro Neu Mowers, Walk-Behind Seite 2 22622 - Toro Lawnmower, 1990 (0000001-0999999) CRANKCASE ASSEMBLY (ENGINE MODEL NO. VMH7-4). Wählen Sie das benötigte Ersatzteil aus der Ersatzteilliste Ihres Toro Gerätes aus und bestellen Sie einfach online. Viele Toro Ersatzteile halten wir ständig in unserem Lager für Sie bereit.



