Toro 22195 - 21" Heavy-Duty Recycler/Rear Bagger Lawn Mower, 2010 (310000001-310999999) CONTROL ASSEMBLY HONDA GXV160UH2 A1T Ersatzteile
CONTROL ASSEMBLY HONDA GXV160UH2 A1T 22195 - Toro 21" Heavy-Duty Recycler/Rear Bagger Lawn Mower, 2010 (310000001-310999999)

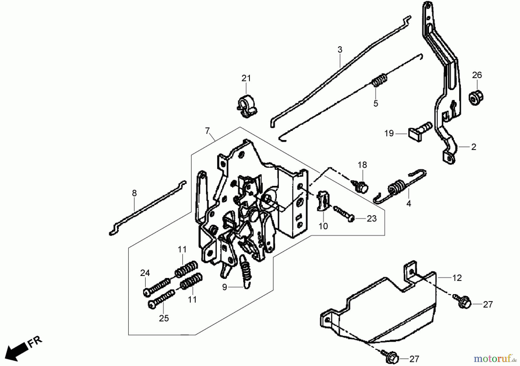
Hier finden Sie die Ersatzteilzeichnung für Toro Neu Mowers, Walk-Behind Seite 2 22195 - Toro 21" Heavy-Duty Recycler/Rear Bagger Lawn Mower, 2010 (310000001-310999999) CONTROL ASSEMBLY HONDA GXV160UH2 A1T. Wählen Sie das benötigte Ersatzteil aus der Ersatzteilliste Ihres Toro Gerätes aus und bestellen Sie einfach online. Viele Toro Ersatzteile halten wir ständig in unserem Lager für Sie bereit.


Qualitätsmanagement
Informieren Sie uns, wenn Sie einen Fehler gefunden haben.

