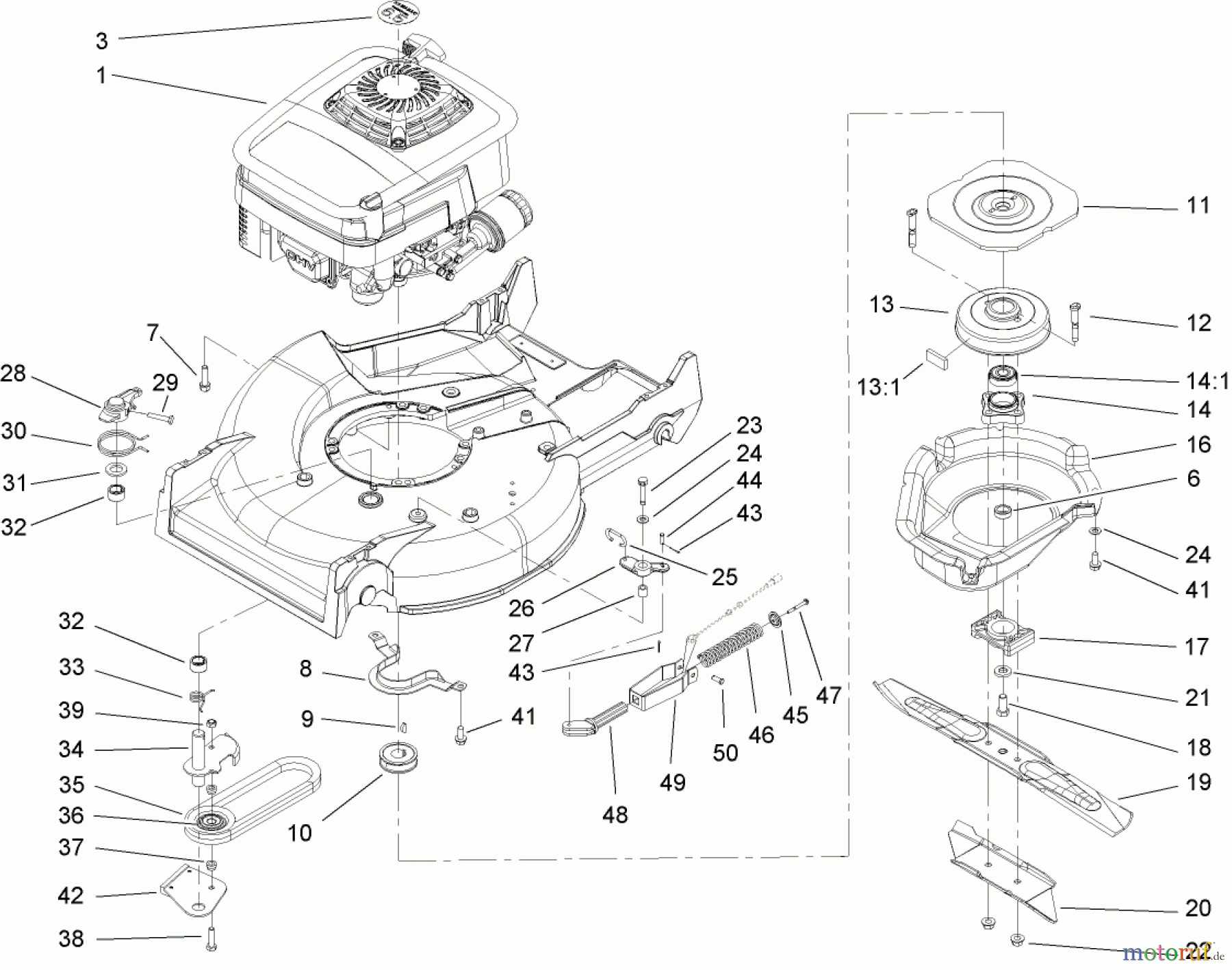
Toro 22177 - 21" Heavy-Duty Recycler/Rear Bagger Lawnmower, 2005 (250000001-250999999) ENGINE AND BLADE ASSEMBLY Ersatzteile
ENGINE AND BLADE ASSEMBLY 22177 - Toro 21" Heavy-Duty Recycler/Rear Bagger Lawnmower, 2005 (250000001-250999999)

Hier finden Sie die Ersatzteilzeichnung für Toro Neu Mowers, Walk-Behind Seite 2 22177 - Toro 21" Heavy-Duty Recycler/Rear Bagger Lawnmower, 2005 (250000001-250999999) ENGINE AND BLADE ASSEMBLY. Wählen Sie das benötigte Ersatzteil aus der Ersatzteilliste Ihres Toro Gerätes aus und bestellen Sie einfach online. Viele Toro Ersatzteile halten wir ständig in unserem Lager für Sie bereit.


Qualitätsmanagement
Informieren Sie uns, wenn Sie einen Fehler gefunden haben.


