Toro 22166 - 21" Heavy-Duty Recycler/Rear Bagger Lawnmower, 2003 (230000001-230999999) RECOIL STARTER ASSEMBLY HONDA GXV160K1 A12 Ersatzteile
RECOIL STARTER ASSEMBLY HONDA GXV160K1 A12 22166 - Toro 21" Heavy-Duty Recycler/Rear Bagger Lawnmower, 2003 (230000001-230999999)

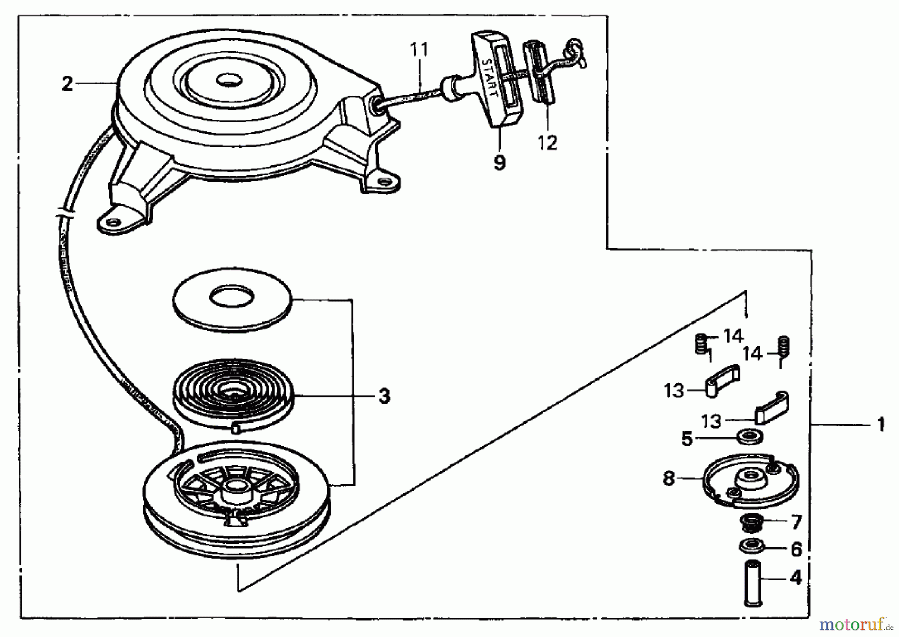
Hier finden Sie die Ersatzteilzeichnung für Toro Neu Mowers, Walk-Behind Seite 2 22166 - Toro 21" Heavy-Duty Recycler/Rear Bagger Lawnmower, 2003 (230000001-230999999) RECOIL STARTER ASSEMBLY HONDA GXV160K1 A12. Wählen Sie das benötigte Ersatzteil aus der Ersatzteilliste Ihres Toro Gerätes aus und bestellen Sie einfach online. Viele Toro Ersatzteile halten wir ständig in unserem Lager für Sie bereit.
| BildNr | Artikel Nummer | Bezeichnung | |
| 1 | Honda 28400-ZG9-803 | ||
| 3 | Honda 28415-ZG9-802 | ||
| 4 | Honda 28419-ZG9-802 | ||
| 5 | Honda 28431-ZG9-802 | ||
| 6 | Honda 28432-ZG9-802 | ||
| 7 | Honda 28441-ZG9-802 | ||
| 8 | Honda 28444-ZG9-802 | ||
| 9 | Honda 28461-ZE6-T02 | ||
| 11 | Honda 28462-ZG9-802 | ||
| 12 | Honda 28463-ZE6-T02 | ||
| 13 | Honda 28485-ZE6-T02 | ||
| 14 | Honda 28486-ZE6-T02 | ||



