Toro 21173 - Guardian Lawnmower, 1973 (3000001-3999999) ENGINE ASSEMBLY MODEL NO. 21173 Ersatzteile
ENGINE ASSEMBLY MODEL NO. 21173 21173 - Toro Guardian Lawnmower, 1973 (3000001-3999999)

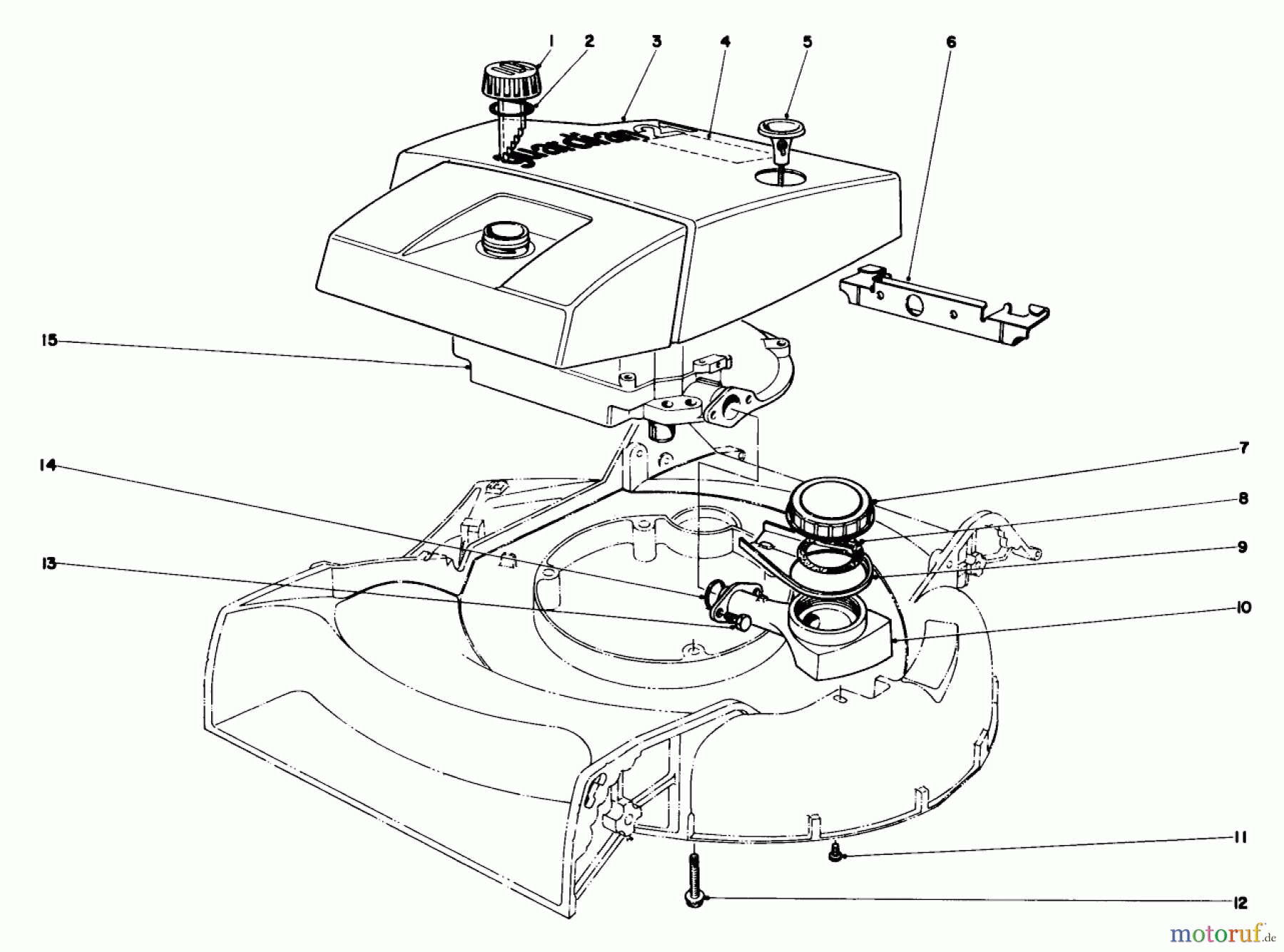
Hier finden Sie die Ersatzteilzeichnung für Toro Neu Mowers, Walk-Behind Seite 2 21173 - Toro Guardian Lawnmower, 1973 (3000001-3999999) ENGINE ASSEMBLY MODEL NO. 21173. Wählen Sie das benötigte Ersatzteil aus der Ersatzteilliste Ihres Toro Gerätes aus und bestellen Sie einfach online. Viele Toro Ersatzteile halten wir ständig in unserem Lager für Sie bereit.
| BildNr | Artikel Nummer | Bezeichnung | |
| 1 | TR42-0682 | Tankdeckel | |
| 2 | TR5-2044 | ||
| 3 | TR6-3439 | DISCONTINUED | |
| 4 | TR8-5620 | ||
| 5 | TR12-2210 | DISCONTINUED | |
| 6 | TR11-9690 | ||
| 7 | TR8-5170 | Deckel | |
| 8 | TR8-5150 | Dichtung | |
| 9 | TR8-5590 | DISCONTINUED | |
| 10 | TR8-5630 | ||
| 11 | TR32104-101 | Schraube | |
| 12 | TR11-0580 | Schraube | |
| 13 | TR321-2 | Schraube | |
| 14 | TR237-77 | Ring | |
| 15 | TR221-441 | ||
| TR17-4040 | REPARATURSATZ | ||



