Toro 16255 - Whirlwind, 1973 (3000001-3999999) ENGINE BRIGGS & STRATTON-MODEL 92908-1224-03 Ersatzteile
ENGINE BRIGGS & STRATTON-MODEL 92908-1224-03 16255 - Toro Whirlwind, 1973 (3000001-3999999)

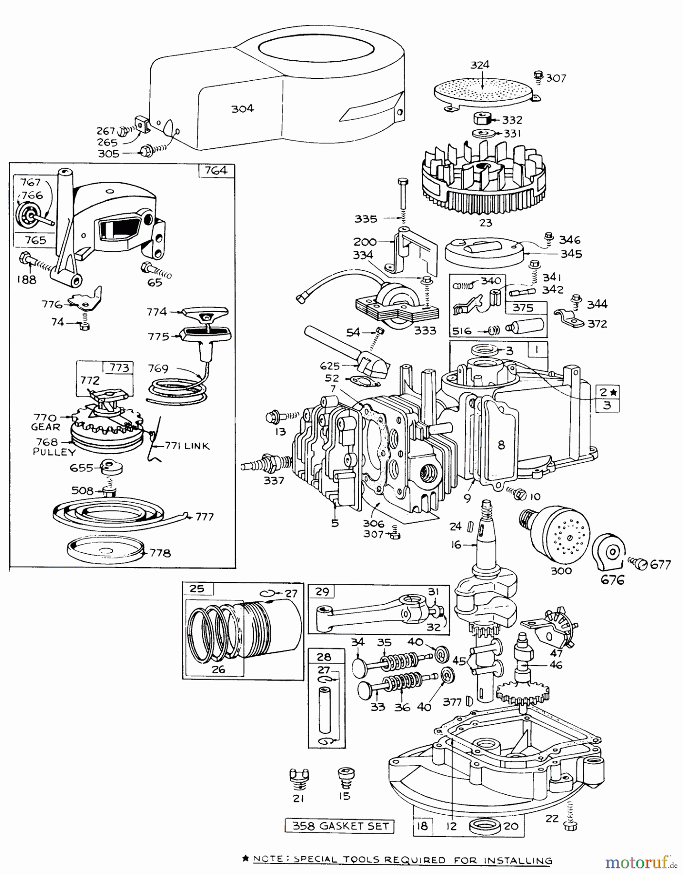
Hier finden Sie die Ersatzteilzeichnung für Toro Neu Mowers, Walk-Behind Seite 1 16255 - Toro Whirlwind, 1973 (3000001-3999999) ENGINE BRIGGS & STRATTON-MODEL 92908-1224-03. Wählen Sie das benötigte Ersatzteil aus der Ersatzteilliste Ihres Toro Gerätes aus und bestellen Sie einfach online. Viele Toro Ersatzteile halten wir ständig in unserem Lager für Sie bereit.






