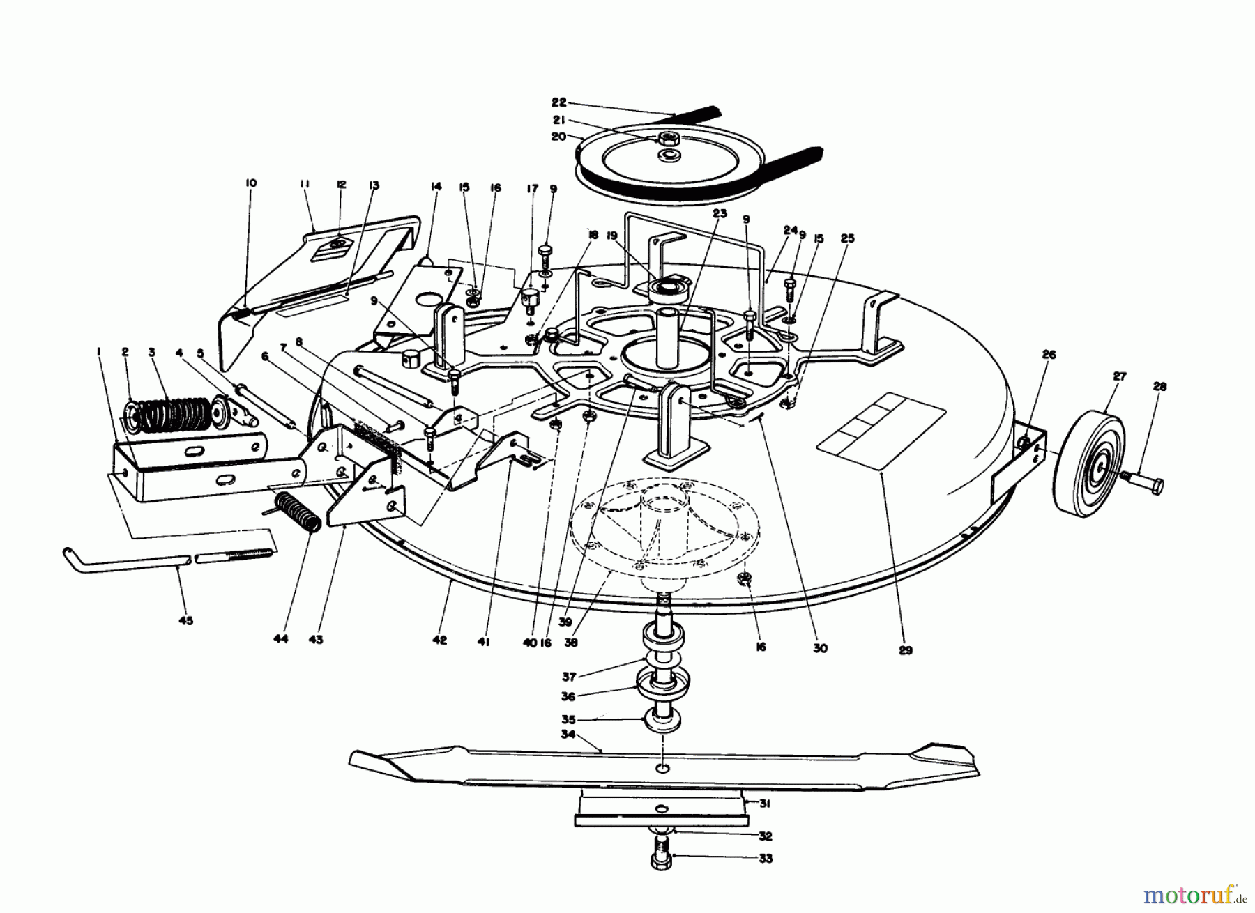
Toro 56176 (12-32) - 12-32 Rear Engine Rider, 1991 (1000001-1999999) MOWER ASSEMBLY Ersatzteile
MOWER ASSEMBLY 56176 (12-32) - Toro 12-32 Rear Engine Rider, 1991 (1000001-1999999)

Hier finden Sie die Ersatzteilzeichnung für Toro Neu Mowers, Rear-Engine Rider 56176 (12-32) - Toro 12-32 Rear Engine Rider, 1991 (1000001-1999999) MOWER ASSEMBLY. Wählen Sie das benötigte Ersatzteil aus der Ersatzteilliste Ihres Toro Gerätes aus und bestellen Sie einfach online. Viele Toro Ersatzteile halten wir ständig in unserem Lager für Sie bereit.


Qualitätsmanagement
Informieren Sie uns, wenn Sie einen Fehler gefunden haben.







