Toro 55600 - HMR-1200, 1989 (9000001-9999999) 38" CUTTING DECK ASSEMBLY Ersatzteile
38" CUTTING DECK ASSEMBLY 55600 - Toro HMR-1200, 1989 (9000001-9999999)

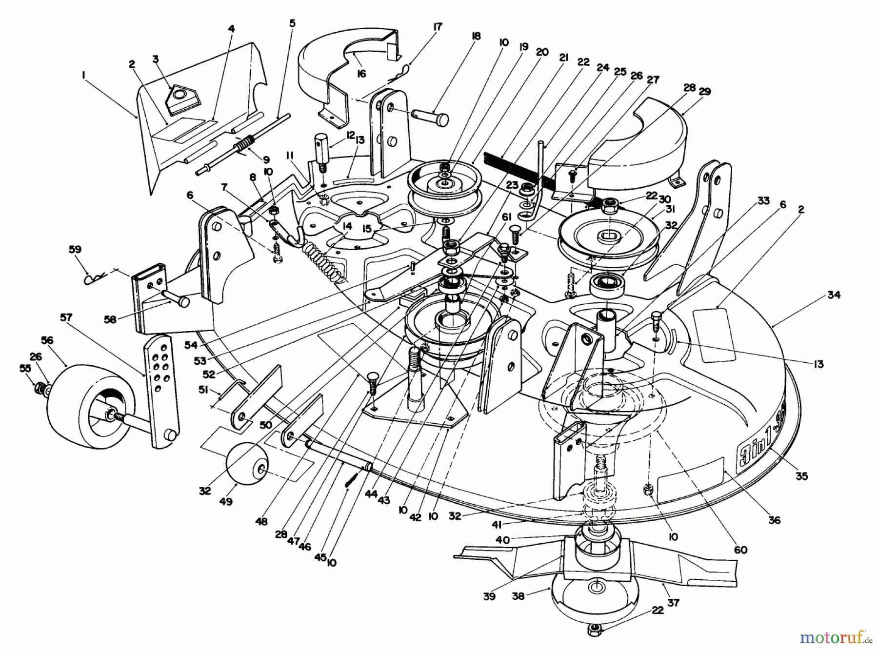
Hier finden Sie die Ersatzteilzeichnung für Toro Neu Mowers, Rear-Engine Rider 55600 - Toro HMR-1200, 1989 (9000001-9999999) 38" CUTTING DECK ASSEMBLY. Wählen Sie das benötigte Ersatzteil aus der Ersatzteilliste Ihres Toro Gerätes aus und bestellen Sie einfach online. Viele Toro Ersatzteile halten wir ständig in unserem Lager für Sie bereit.







