Toro R1-16O804 (316-8) - 316-8 Garden Tractor, 1992 (2000001-2999999) CHOKE LINKAGE POWER PLUS Ersatzteile
CHOKE LINKAGE POWER PLUS R1-16O804 (316-8) - Toro 316-8 Garden Tractor, 1992 (2000001-2999999)

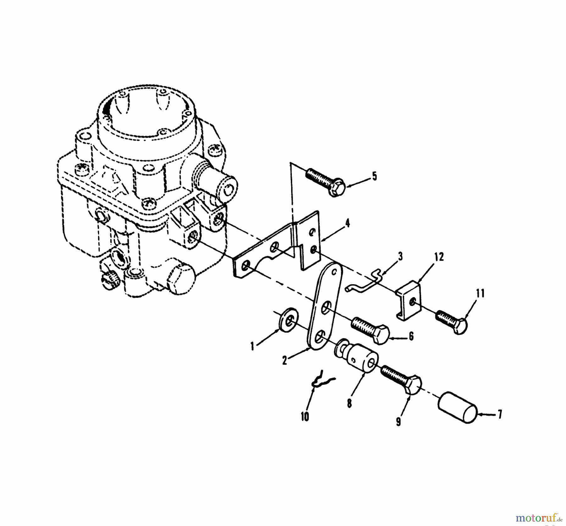
Hier finden Sie die Ersatzteilzeichnung für Toro Neu Mowers, Lawn & Garden Tractor Seite 2 R1-16O804 (316-8) - Toro 316-8 Garden Tractor, 1992 (2000001-2999999) CHOKE LINKAGE POWER PLUS. Wählen Sie das benötigte Ersatzteil aus der Ersatzteilliste Ihres Toro Gerätes aus und bestellen Sie einfach online. Viele Toro Ersatzteile halten wir ständig in unserem Lager für Sie bereit.
| BildNr | Artikel Nummer | Bezeichnung | |
| 1 | TR59-0850 | SCHEIBE | |
| 2 | TR59-0460 | SWIVEL-CHOKE | |
| 3 | TR57-9180 | Gestaenge | |
| 4 | TR59-0470 | Hebel | |
| 5 | TR72-3880 | SCREW-HWH | |
| 6 | TR92-0916 | MACHINE SCREW | |
| 7 | TRNN10830 | DISCONTINUED | |
| 8 | TR57-9170 | Bowdenzugfuehrung | |
| 9 | TR72-3890 | Schraube | |
| 10 | TR59-0720 | PIN-COTTER | |
| 11 | TR72-3900 | Schraube | |
| 12 | TR57-9190 | CLIP | |


Qualitätsmanagement
Informieren Sie uns, wenn Sie einen Fehler gefunden haben.

