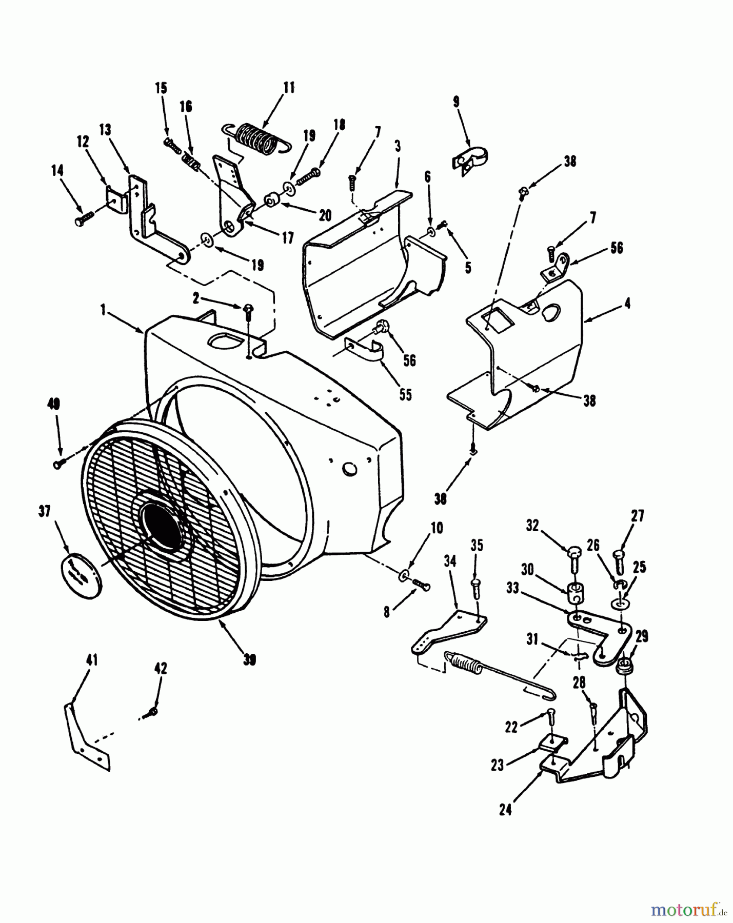
Toro R1-16O804 (316-8) - 316-8 Garden Tractor, 1992 (2000001-2999999) BLOWER HOUSING AND GOVERNOR POWER PLUS Ersatzteile
BLOWER HOUSING AND GOVERNOR POWER PLUS R1-16O804 (316-8) - Toro 316-8 Garden Tractor, 1992 (2000001-2999999)

Hier finden Sie die Ersatzteilzeichnung für Toro Neu Mowers, Lawn & Garden Tractor Seite 2 R1-16O804 (316-8) - Toro 316-8 Garden Tractor, 1992 (2000001-2999999) BLOWER HOUSING AND GOVERNOR POWER PLUS. Wählen Sie das benötigte Ersatzteil aus der Ersatzteilliste Ihres Toro Gerätes aus und bestellen Sie einfach online. Viele Toro Ersatzteile halten wir ständig in unserem Lager für Sie bereit.


Qualitätsmanagement
Informieren Sie uns, wenn Sie einen Fehler gefunden haben.

