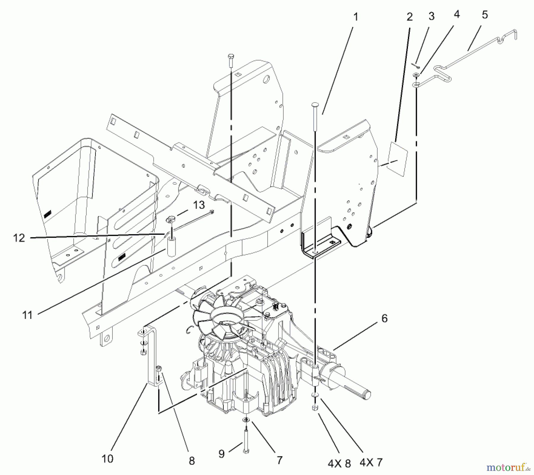
Toro 72201 (417XT) - 417XT Garden Tractor, 2003 (230000001-230999999) HYDRO TRANSAXLE ASSEMBLY Ersatzteile
HYDRO TRANSAXLE ASSEMBLY 72201 (417XT) - Toro 417XT Garden Tractor, 2003 (230000001-230999999)

Hier finden Sie die Ersatzteilzeichnung für Toro Neu Mowers, Lawn & Garden Tractor Seite 1 72201 (417XT) - Toro 417XT Garden Tractor, 2003 (230000001-230999999) HYDRO TRANSAXLE ASSEMBLY. Wählen Sie das benötigte Ersatzteil aus der Ersatzteilliste Ihres Toro Gerätes aus und bestellen Sie einfach online. Viele Toro Ersatzteile halten wir ständig in unserem Lager für Sie bereit.




