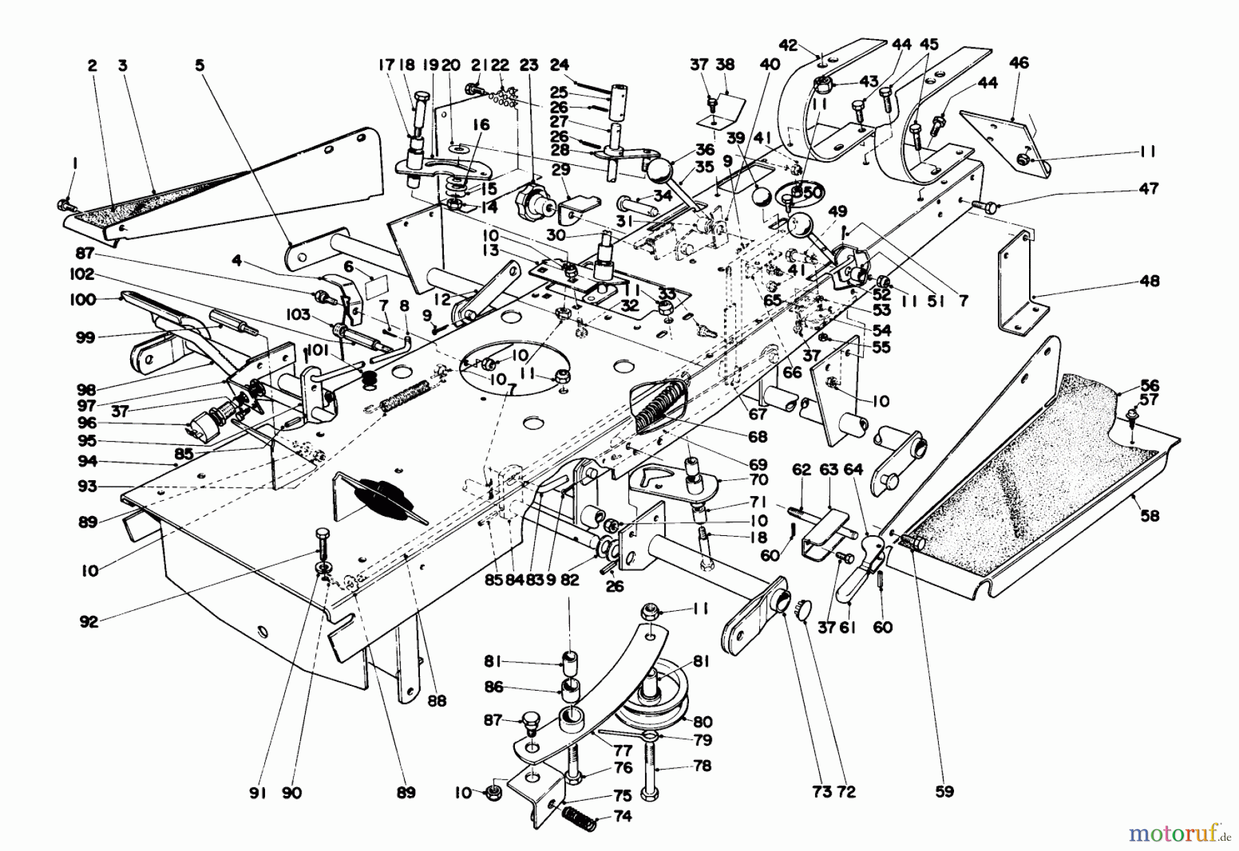
Toro 55275 (888) - 888 matic Tractor, 1972 (2000001-2999999) FRAME ASSEMBLY Ersatzteile
FRAME ASSEMBLY 55275 (888) - Toro 888 Toromatic Tractor, 1972 (2000001-2999999)

Hier finden Sie die Ersatzteilzeichnung für Toro Neu Mowers, Lawn & Garden Tractor Seite 1 55275 (888) - Toro 888 Toromatic Tractor, 1972 (2000001-2999999) FRAME ASSEMBLY. Wählen Sie das benötigte Ersatzteil aus der Ersatzteilliste Ihres Toro Gerätes aus und bestellen Sie einfach online. Viele Toro Ersatzteile halten wir ständig in unserem Lager für Sie bereit.



