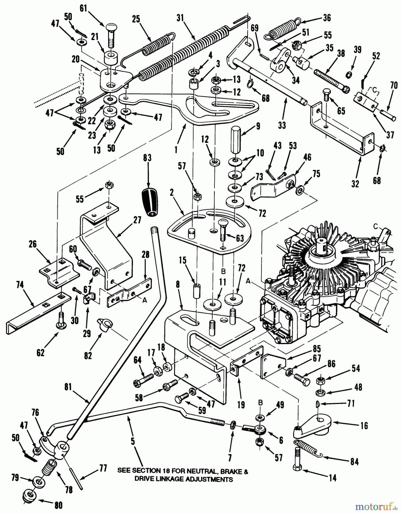
Toro 32-16BE01 (216-H) - 216-H Tractor, 1990 HYDROSTATIC TRANSAXLE - CONTROL LINKAGE Ersatzteile
HYDROSTATIC TRANSAXLE - CONTROL LINKAGE 32-16BE01 (216-H) - Toro 216-H Tractor, 1990

Hier finden Sie die Ersatzteilzeichnung für Toro Neu Mowers, Lawn & Garden Tractor Seite 1 32-16BE01 (216-H) - Toro 216-H Tractor, 1990 HYDROSTATIC TRANSAXLE - CONTROL LINKAGE. Wählen Sie das benötigte Ersatzteil aus der Ersatzteilliste Ihres Toro Gerätes aus und bestellen Sie einfach online. Viele Toro Ersatzteile halten wir ständig in unserem Lager für Sie bereit.







