Toro 20564 - Electric Lawnmower, 1991 (1000001-1999999) MOTOR & BLADE ASSEMBLY Ersatzteile
MOTOR & BLADE ASSEMBLY 20564 - Toro Electric Lawnmower, 1991 (1000001-1999999)

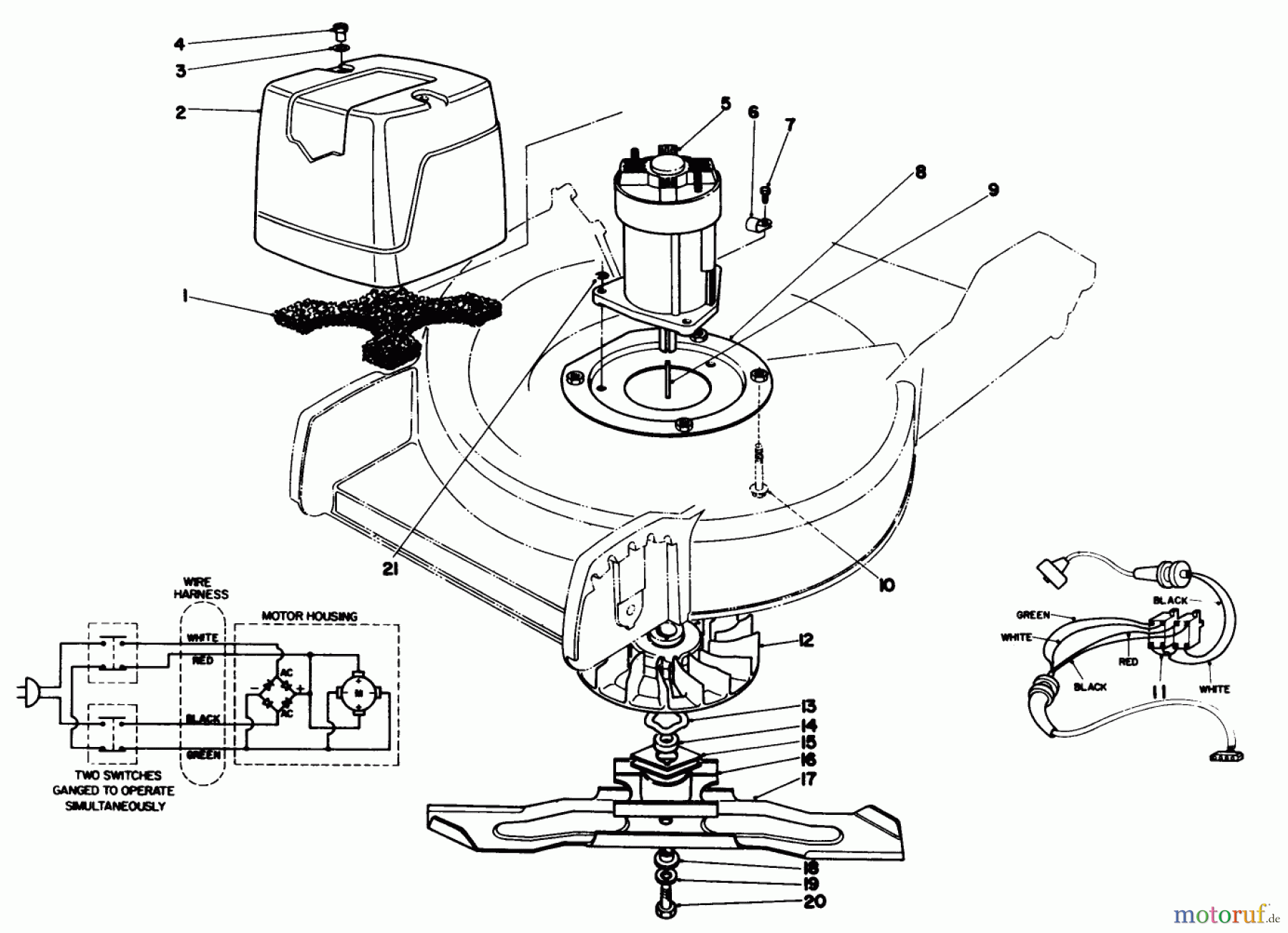
Hier finden Sie die Ersatzteilzeichnung für Toro Neu Mowers, Electric 20564 - Toro Electric Lawnmower, 1991 (1000001-1999999) MOTOR & BLADE ASSEMBLY. Wählen Sie das benötigte Ersatzteil aus der Ersatzteilliste Ihres Toro Gerätes aus und bestellen Sie einfach online. Viele Toro Ersatzteile halten wir ständig in unserem Lager für Sie bereit.




