Einstellungen Computer

Toro 30190 - Mid-Size Proline Hydro Traction Unit, 18 hp, 1991 (10000001-19999999) OIL PAN-KOHLER ENGINE MODEL NO. MV18S-TYPE 58543 Ersatzteile

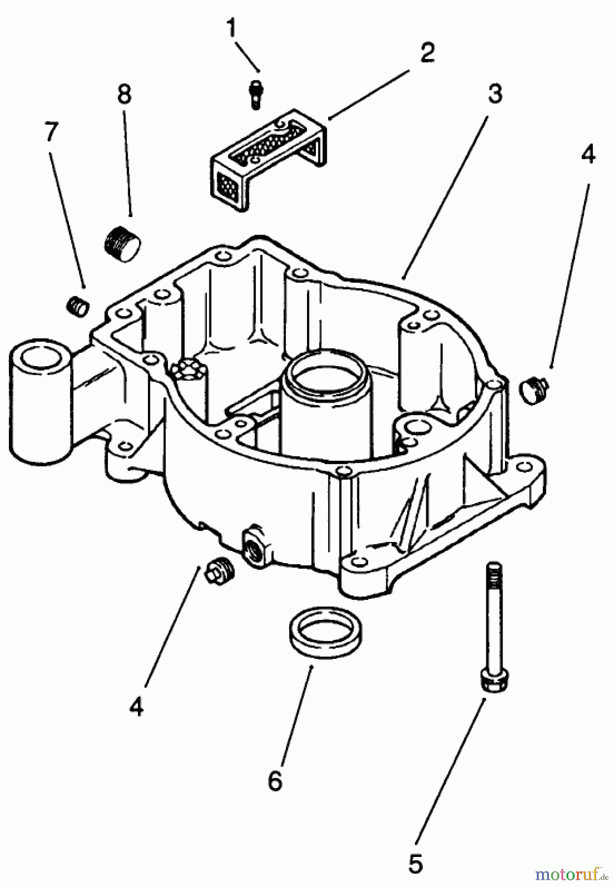
OIL PAN-KOHLER ENGINE MODEL NO. MV18S-TYPE 58543 30190 - Toro Mid-Size Proline Hydro Traction Unit, 18 hp, 1991 (10000001-19999999)

 Toro Neu Mowers, Drive Unit Only 30190 - Toro Mid-Size Proline Hydro Traction Unit, 18 hp, 1991 (10000001-19999999) OIL PAN-KOHLER ENGINE MODEL NO. MV18S-TYPE 58543

Hier finden Sie die Ersatzteilzeichnung für Toro Neu Mowers, Drive Unit Only 30190 - Toro Mid-Size Proline Hydro Traction Unit, 18 hp, 1991 (10000001-19999999) OIL PAN-KOHLER ENGINE MODEL NO. MV18S-TYPE 58543. Wählen Sie das benötigte Ersatzteil aus der Ersatzteilliste Ihres Toro Gerätes aus und bestellen Sie einfach online. Viele Toro Ersatzteile halten wir ständig in unserem Lager für Sie bereit.

Rasen
Bankeinzug, MasterCard, Visa, American Express, PayPal, Nachnahme, Vorauskasse, Sofortüberweisung
Datenschutzerklärung Impressum
Qualitätsmanagement
Informieren Sie uns, wenn Sie einen Fehler gefunden haben.