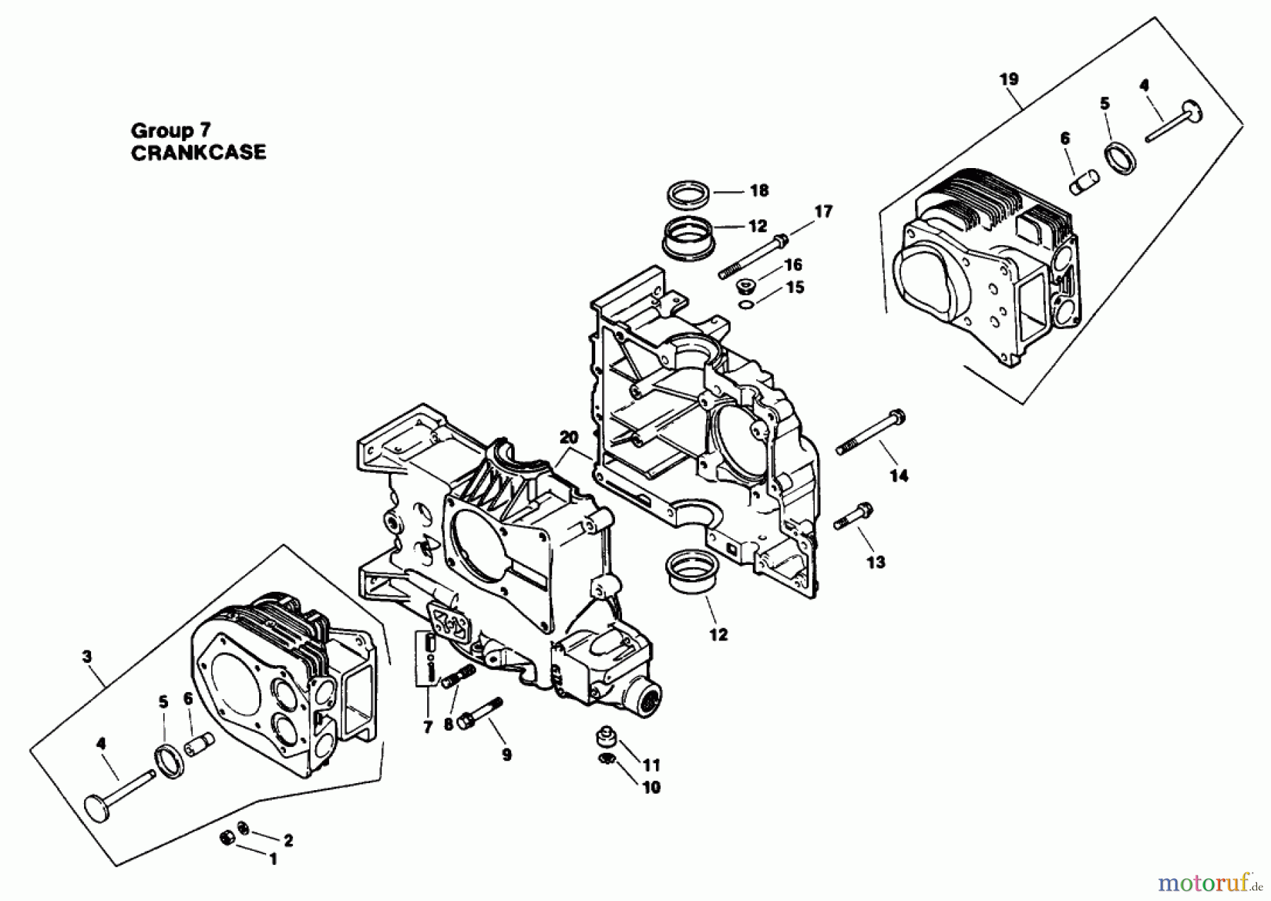
Toro 30180 - Mid-Size Proline Gear Traction Unit, 16 hp, 1994 (490001-490730) ENGINE KOHLER MODEL NO. MV16S-TYPE PS56519 CRANKCASE GROUP 7 Ersatzteile
ENGINE KOHLER MODEL NO. MV16S-TYPE PS56519 CRANKCASE GROUP 7 30180 - Toro Mid-Size Proline Gear Traction Unit, 16 hp, 1994 (490001-490730)

Hier finden Sie die Ersatzteilzeichnung für Toro Neu Mowers, Drive Unit Only 30180 - Toro Mid-Size Proline Gear Traction Unit, 16 hp, 1994 (490001-490730) ENGINE KOHLER MODEL NO. MV16S-TYPE PS56519 CRANKCASE GROUP 7. Wählen Sie das benötigte Ersatzteil aus der Ersatzteilliste Ihres Toro Gerätes aus und bestellen Sie einfach online. Viele Toro Ersatzteile halten wir ständig in unserem Lager für Sie bereit.
| BildNr | Artikel Nummer | Bezeichnung | |
| 1 | KHX-82-2-S | USE 25 100 22-S | |
| 10 | KHX-269-43-S | RING | |
| 18 | KH5203210-S | SEAL | |
| KH8252230 | MV16/MV18 SHORT BLOCK | ||



