Toro 30180 - Mid-Size Proline Gear Traction Unit, 16 hp, 1993 (390001-399999) AXLE ASSEMBLY Ersatzteile
AXLE ASSEMBLY 30180 - Toro Mid-Size Proline Gear Traction Unit, 16 hp, 1993 (390001-399999)

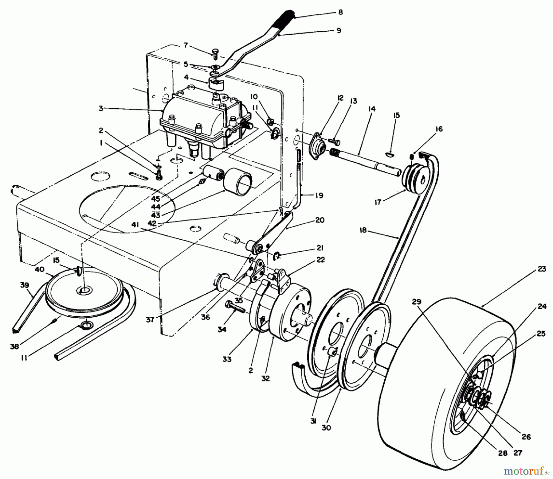
Hier finden Sie die Ersatzteilzeichnung für Toro Neu Mowers, Drive Unit Only 30180 - Toro Mid-Size Proline Gear Traction Unit, 16 hp, 1993 (390001-399999) AXLE ASSEMBLY. Wählen Sie das benötigte Ersatzteil aus der Ersatzteilliste Ihres Toro Gerätes aus und bestellen Sie einfach online. Viele Toro Ersatzteile halten wir ständig in unserem Lager für Sie bereit.


Qualitätsmanagement
Informieren Sie uns, wenn Sie einen Fehler gefunden haben.




