Toro 30112 - Mid-Size Proline Gear Traction Unit, 12.5 hp, 1990 (0000001-0999999) ENGINE AND CLUTCH ASSEMBLY Ersatzteile
ENGINE AND CLUTCH ASSEMBLY 30112 - Toro Mid-Size Proline Gear Traction Unit, 12.5 hp, 1990 (0000001-0999999)

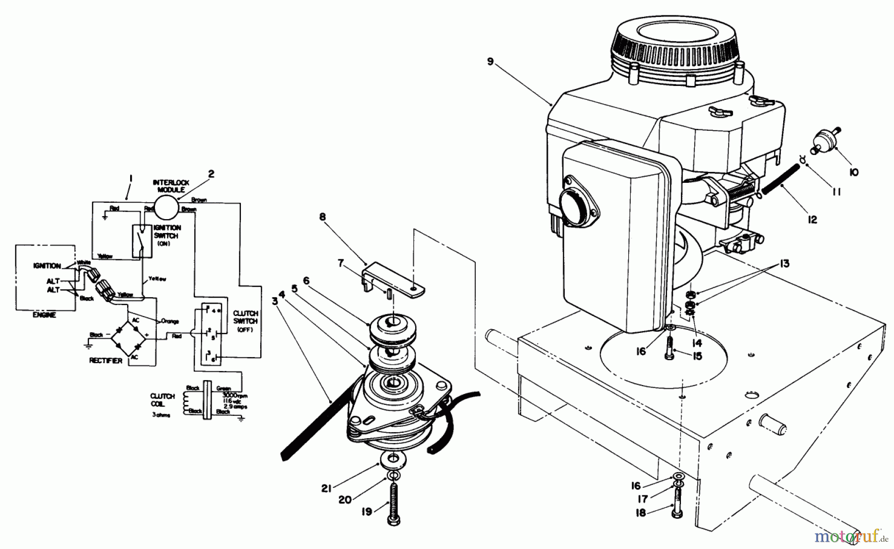
Hier finden Sie die Ersatzteilzeichnung für Toro Neu Mowers, Drive Unit Only 30112 - Toro Mid-Size Proline Gear Traction Unit, 12.5 hp, 1990 (0000001-0999999) ENGINE AND CLUTCH ASSEMBLY. Wählen Sie das benötigte Ersatzteil aus der Ersatzteilliste Ihres Toro Gerätes aus und bestellen Sie einfach online. Viele Toro Ersatzteile halten wir ständig in unserem Lager für Sie bereit.


Qualitätsmanagement
Informieren Sie uns, wenn Sie einen Fehler gefunden haben.

