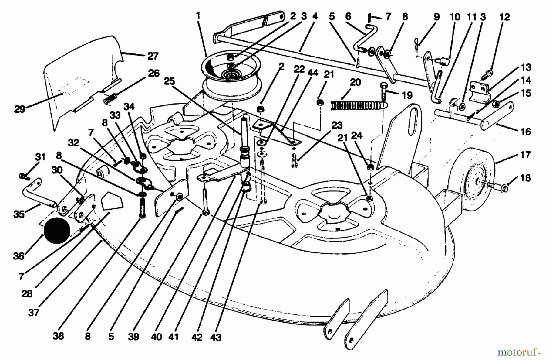
Toro 78215 - 38" Side Discharge Mower, 260 Series Yard Tractors, 1993 (3900001-3999999) CUTTING UNIT ASSEMBLY Ersatzteile
CUTTING UNIT ASSEMBLY 78215 - Toro 38" Side Discharge Mower, 260 Series Yard Tractors, 1993 (3900001-3999999)

Hier finden Sie die Ersatzteilzeichnung für Toro Neu Mowers, Deck Assembly Only 78215 - Toro 38" Side Discharge Mower, 260 Series Yard Tractors, 1993 (3900001-3999999) CUTTING UNIT ASSEMBLY. Wählen Sie das benötigte Ersatzteil aus der Ersatzteilliste Ihres Toro Gerätes aus und bestellen Sie einfach online. Viele Toro Ersatzteile halten wir ständig in unserem Lager für Sie bereit.









