Toro 30544 (117/120) - 44" Side Discharge Mower, Groundsmaster 117/120, 1989 (900001-999999) CUTTING UNIT MODEL NO. 30768 #2 Ersatzteile
CUTTING UNIT MODEL NO. 30768 #2 30544 (117/120) - Toro 44" Side Discharge Mower, Groundsmaster 117/120, 1989 (900001-999999)

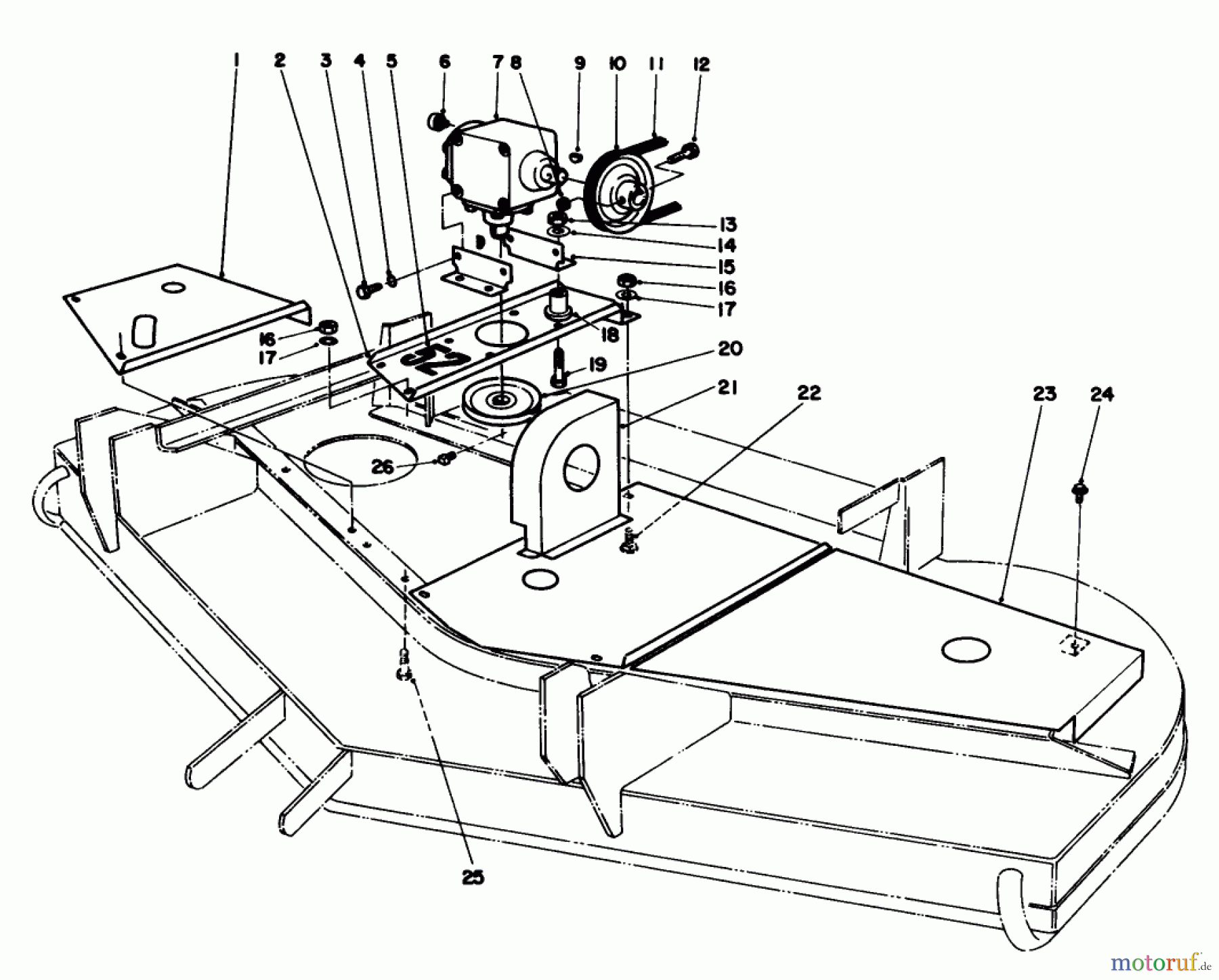
Hier finden Sie die Ersatzteilzeichnung für Toro Neu Mowers, Deck Assembly Only 30544 (117/120) - Toro 44" Side Discharge Mower, Groundsmaster 117/120, 1989 (900001-999999) CUTTING UNIT MODEL NO. 30768 #2. Wählen Sie das benötigte Ersatzteil aus der Ersatzteilliste Ihres Toro Gerätes aus und bestellen Sie einfach online. Viele Toro Ersatzteile halten wir ständig in unserem Lager für Sie bereit.






