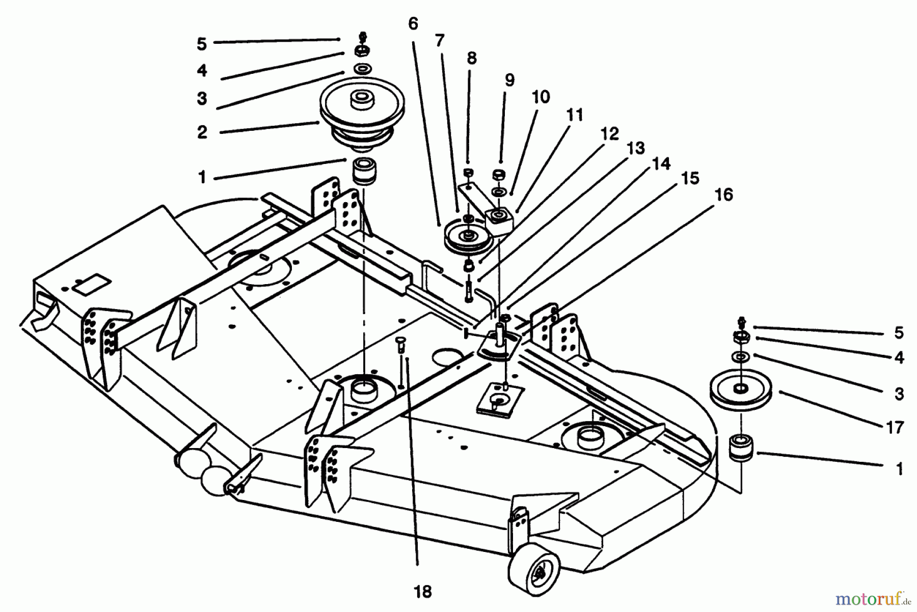
Toro 30162 - 62" Side Discharge Mower, 1993 (390001-399999) PULLEYS AND IDLER ASSEMBLY Ersatzteile
PULLEYS AND IDLER ASSEMBLY 30162 - Toro 62" Side Discharge Mower, 1993 (390001-399999)

Hier finden Sie die Ersatzteilzeichnung für Toro Neu Mowers, Deck Assembly Only 30162 - Toro 62" Side Discharge Mower, 1993 (390001-399999) PULLEYS AND IDLER ASSEMBLY. Wählen Sie das benötigte Ersatzteil aus der Ersatzteilliste Ihres Toro Gerätes aus und bestellen Sie einfach online. Viele Toro Ersatzteile halten wir ständig in unserem Lager für Sie bereit.


Qualitätsmanagement
Informieren Sie uns, wenn Sie einen Fehler gefunden haben.

