Toro 05-48SC01 - 48" Side Discharge Mower, 1988 REAR DISCHARGE MOWER-42 IN.(107 CM)(VEHICLE IDENTIFICATION NUMBER 05-42MR04) #1 Ersatzteile
REAR DISCHARGE MOWER-42 IN.(107 CM)(VEHICLE IDENTIFICATION NUMBER 05-42MR04) #1 05-48SC01 - Toro 48" Side Discharge Mower, 1988

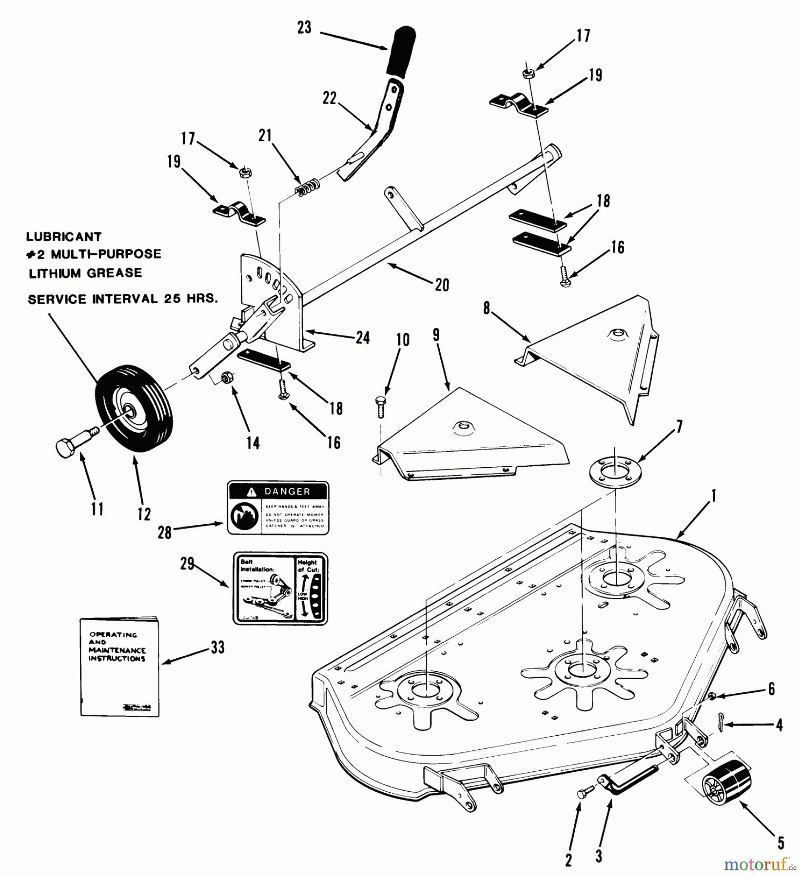
Hier finden Sie die Ersatzteilzeichnung für Toro Neu Mowers, Deck Assembly Only 05-48SC01 - Toro 48" Side Discharge Mower, 1988 REAR DISCHARGE MOWER-42 IN.(107 CM)(VEHICLE IDENTIFICATION NUMBER 05-42MR04) #1. Wählen Sie das benötigte Ersatzteil aus der Ersatzteilliste Ihres Toro Gerätes aus und bestellen Sie einfach online. Viele Toro Ersatzteile halten wir ständig in unserem Lager für Sie bereit.





