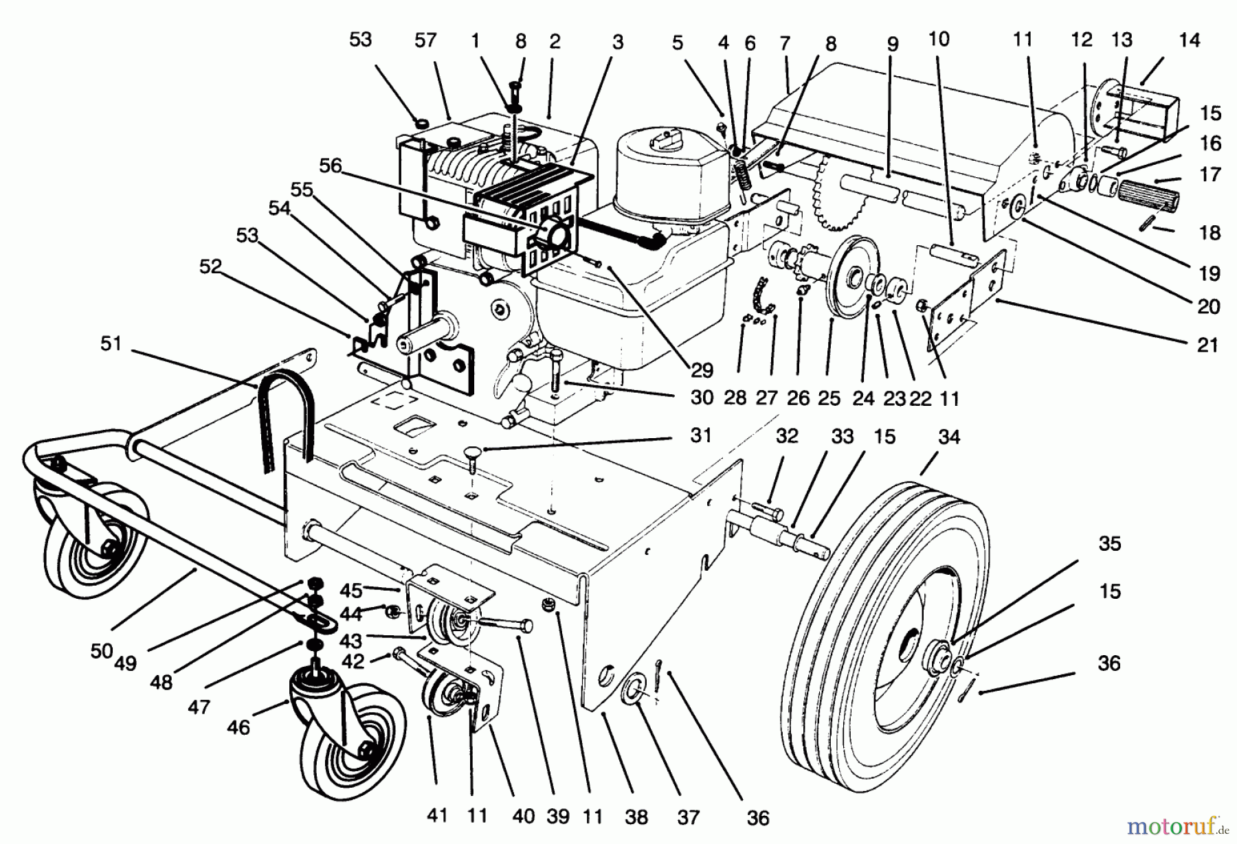
Toro 62924 - 5 hp Lawn Vacuum, 1995 (5900001-5999999) ENGINE & BASE ASSEMBLY Ersatzteile
ENGINE & BASE ASSEMBLY 62924 - Toro 5 hp Lawn Vacuum, 1995 (5900001-5999999)

Hier finden Sie die Ersatzteilzeichnung für Toro Neu Blowers/Vacuums/Chippers/Shredders 62924 - Toro 5 hp Lawn Vacuum, 1995 (5900001-5999999) ENGINE & BASE ASSEMBLY. Wählen Sie das benötigte Ersatzteil aus der Ersatzteilliste Ihres Toro Gerätes aus und bestellen Sie einfach online. Viele Toro Ersatzteile halten wir ständig in unserem Lager für Sie bereit.







