Toro 62850 - Shredder, 1972 (2000001-2999999) BASE & BLADE ASSEMBLY Ersatzteile
BASE & BLADE ASSEMBLY 62850 - Toro Shredder, 1972 (2000001-2999999)

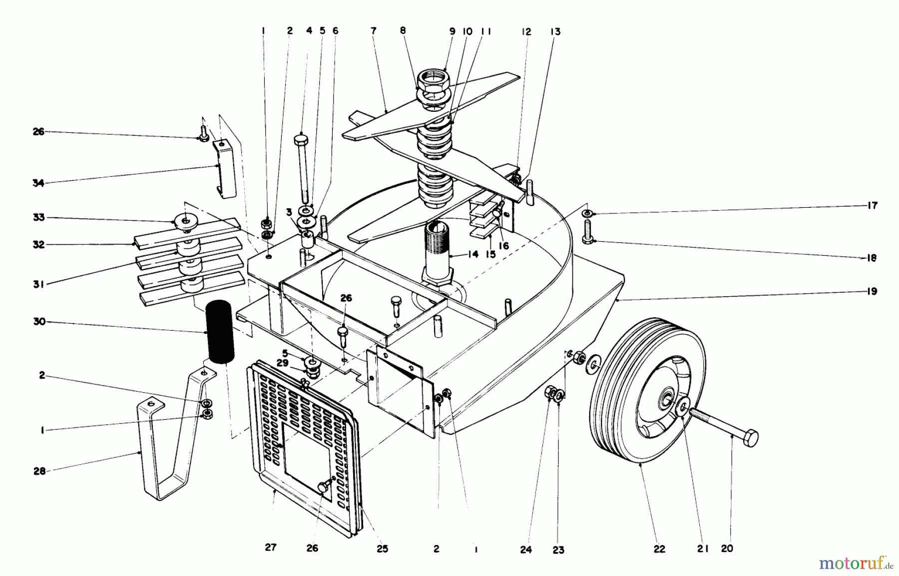
Hier finden Sie die Ersatzteilzeichnung für Toro Neu Blowers/Vacuums/Chippers/Shredders 62850 - Toro Shredder, 1972 (2000001-2999999) BASE & BLADE ASSEMBLY. Wählen Sie das benötigte Ersatzteil aus der Ersatzteilliste Ihres Toro Gerätes aus und bestellen Sie einfach online. Viele Toro Ersatzteile halten wir ständig in unserem Lager für Sie bereit.
| BildNr | Artikel Nummer | Bezeichnung | |
| 1 | TR3217-6 | NUT-HEX | |
| 2 | TR3253-4 | Federring | |
| 3 | TR12-7210 | ||
| 4 | TR3241-7 | Schraube | |
| 5 | TR12-7310 | ||
| 6 | TR12-7290 | ||
| 7 | TR12-7080 | DISCONTINUED | |
| 8 | TR12-7300 | ||
| 9 | TR12-7150 | ||
| 10 | TR12-7270 | ||
| 11 | TR12-7230 | ||
| 12 | TR3217-5 | Mutter | |
| 13 | TR3253-3 | Federring | |
| 14 | TR12-7120 | ||
| 15 | TR12-7180 | ||
| 16 | ![]() | TR321-4 | Schraube |
| 17 | TR3253-5 | Federring | |
| 18 | TR3211-5 | Schraube | |
| 19 | TR12-7320 | ||
| 20 | TR3213-12 | DISCONTINUED | |
| 21 | TR3256-26 | WASHER-FLAT | |
| 22 | TR12-7280 | ||
| 23 | TR3253-7 | Federring | |
| 24 | TR3217-9 | Mutter | |
| 25 | TR12-3580 | ||
| 26 | TR322-3 | Schraube | |
| 27 | TR12-5530 | ||
| 28 | TR12-7340 | ||
| 29 | TR3217-8 | Mutter | |
| 30 | TR12-7190 | DISCONTINUED | |
| 31 | TR12-7240 | ||
| 32 | TR17-7160 | GEGENHALTER | |
| 33 | TR12-7260 | ||
| 34 | TR12-7370 | ||
| TR12-8360 | |||
| TR12-6510 | |||




